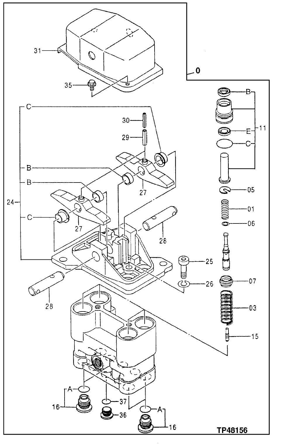
Запчасти John Deere 92ELC 237 - Pilot Valve (012001 - ) 3315 Control Linkage

Схема запчастей John Deere 92ELC - 237 - Pilot Valve (012001 - ) 3315 Control Linkage
FIT
1:1
100%

Артикул

Название

Примечание

Количество

0

9149235

Hyd Actuated Control Valve

(SUB FOR AT154526) (SUB FOR AT214393)

1шт.

1

4203421

Spring

(SUB FOR TH109235)

4шт.

3

4203413

Compression Spring

(SUB FOR TH109236)

4шт.

5

4177777

Spacer

(SUB FOR TH109216)

4шт.

6

4173208

Shim

(SUB FOR TH109217)

20шт.

7

4203412

Guide

(SUB FOR TH109237)

4шт.

11

9134018

Plunger

(SUB FOR AT214383)

4шт.

11B

4476342

Seal

(SUB FOR AT131269, 4359926)

1шт.

11C

U46166

O-Ring

24.400 X 3.100 mm (0.961" X 0.122")

1шт.

11E

4352707

Ring

(SUB FOR AT213968)

1шт.

15

4184929

Piston

(SUB FOR TH109228)

4шт.

16

9102507

Fitting Plug

(SUB FOR AT154534)

4шт.

16A

CH10570

O-Ring

1шт.

24

9101522

Holder

(SUB FOR AT154529)

1шт.

24B

4238834

Bushing

(SUB FOR TH111963)

2шт.

24C

4274716

Bushing

(SUB FOR AT154947)

2шт.

25

19M7576

Screw

M10 X 30 (SUB FOR J781 030) (SUB FOR AT213614)

2шт.

26

12M7066

Lock Washer

10 mm

2шт.

27

3035803

Cam

(SUB FOR TH109243)

2шт.

28

4190983

Pin Fastener

(SUB FOR TH109244)

2шт.

29

34M7225

Spring Pin

8 X 28 mm (SUB FOR 34M6402)

2шт.

30

4213419

Spring Pin

(SUB FOR TH111654)

2шт.

31

2031724

Cover

(SUB FOR AT154086)

1шт.

35

19M7923

Cap Screw

M6 X 12

2шт.

12M7006

Lock Washer

6 mm

2шт.

24M7054

Washer

6.400 X 12 X 1.600 mm

2шт.

36

4208977

Drain Plug

(SUB FOR TH111351)

2шт.

37

CH11561

Packing

2шт.

Выбрано товаров: 28