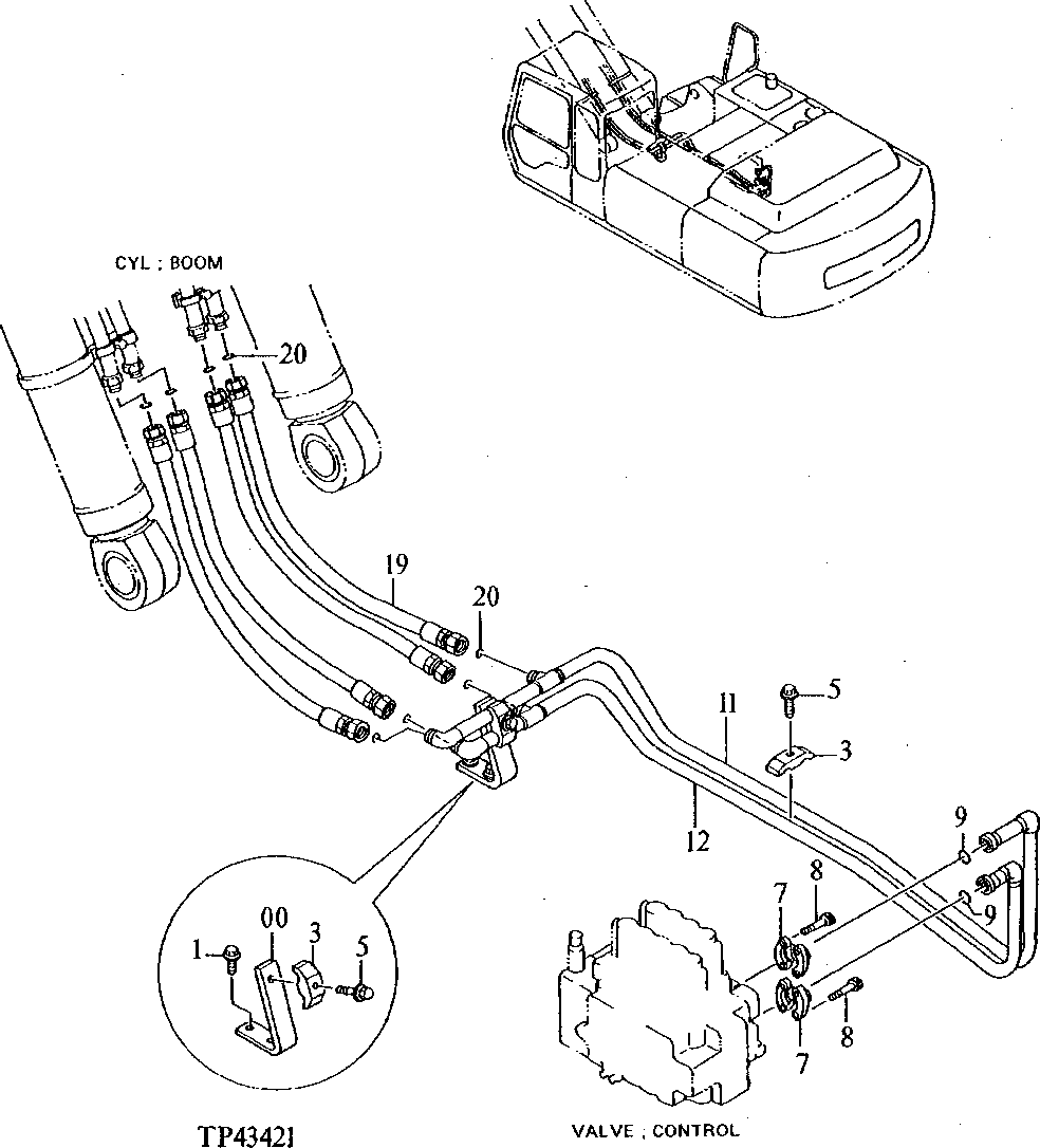
Запчасти John Deere 92ELC 248 - MAIN PIPINGS 3360 Hydraulic System

Схема запчастей John Deere 92ELC - 248 - MAIN PIPINGS 3360 Hydraulic System
FIT
1:1
100%

Артикул

Название

Примечание

Количество

0

9766967

Support

(SUB FOR TH111310, 4206060 ) (USE W/ J271270, J271270)

1шт.

1

19M8011

Cap Screw

M12 X 30

2шт.

12M7058

Lock Washer

12 mm (SUB FOR 12M7067)

2шт.

3

4189860

Clamp

(SUB FOR TH108314)

2шт.

5

19M8348

Cap Screw

M12 X 65

2шт.

12H301

Lock Washer

1/2"

2шт.

Bolt

( J271270 NLA)

1шт.

19M7753

Cap Screw

M12 X 70

1шт.

24M7345

Washer

13.500 X 24 X 2.500 mm

1шт.

Bolt

( J271285 NLA)

1шт.

7

R29424

Flange Fitting

4шт.

8

19M8337

Screw

M10 X 30

8шт.

9

T59014

O-Ring

24.994 X 3.531 mm (63/64" X 0.139")

2шт.

11

8056545

Line

(SUB FOR AT201154)

1шт.

12

8056546

Line

(SUB FOR AT201155)

1шт.

19

4314976

Hydraulic Hose

(SUB FOR AT201232)

4шт.

20

T76938

O-Ring

23.520 X 1.780 mm (0.926" X 0.070")

8шт.

Выбрано товаров: 17