Запчасти John Deere 92ELC 278 - FRONT PIPINGS 3360 Hydraulic System

Схема запчастей John Deere 92ELC - 278 - FRONT PIPINGS 3360 Hydraulic System
FIT
1:1
100%

Артикул

Название

Примечание

Количество

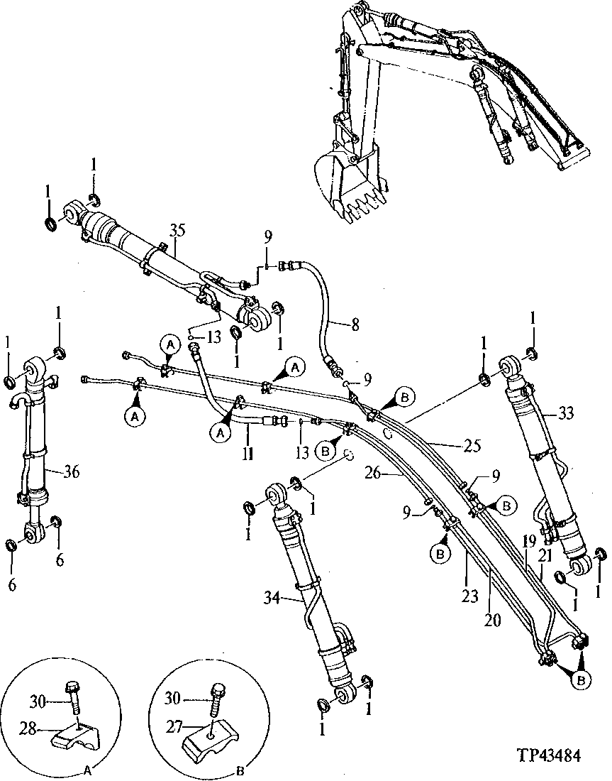
1

TH102411

Seal

14шт.

6

TH102445

Seal

(I.D. 100 MM - O.D. 115 MM)

2шт.

8

AT201239

Hydraulic Hose

42.8752" X 750 mm (29-1 /2") X 42.8752" Pressure

1шт.

9

T78612

O-Ring

4шт.

11

AT201240

Hydraulic Hose

36.5252" X 750 mm (29- 1/2") X 36.5252" Return

1шт.

13

T76938

O-Ring

23.520 X 1.780 mm (0.926" X 0.070")

2шт.

19

8059286

Oil Line

(SUB FOR TH111491) Use If Available

1шт.

8059286

Oil Line

(SUB FOR TH111491) (SUB FOR AT167850)

1шт.

20

8059298

Oil Line

(SUB FOR TH111492) (SUB FOR AT167851)

1шт.

21

9727149

Oil Line

(SUB FOR TH111634)

1шт.

23

9727148

Oil Line

(SUB FOR TH111633)

1шт.

25

8044894

Oil Line

(SUB FOR TH112072)

1шт.

26

8044895

Oil Line

(SUB FOR TH112073)

1шт.

27

4189860

Clamp

(SUB FOR TH108314)

6шт.

28

4190127

Clamp

(SUB FOR TH108313)

4шт.

30

19M8348

Cap Screw

M12 X 65

10шт.

12H301

Lock Washer

1/2"

10шт.

33

Cylinder

Right Boom See Separate Page For Detail

1шт.

34

Cylinder

Left Boom See Separate Page For Detail

1шт.

35

Cylinder

Arm See Separate Page For Detail

1шт.

36

Cylinder

Bucket See Separate Page For Detail

1шт.

Выбрано товаров: 21