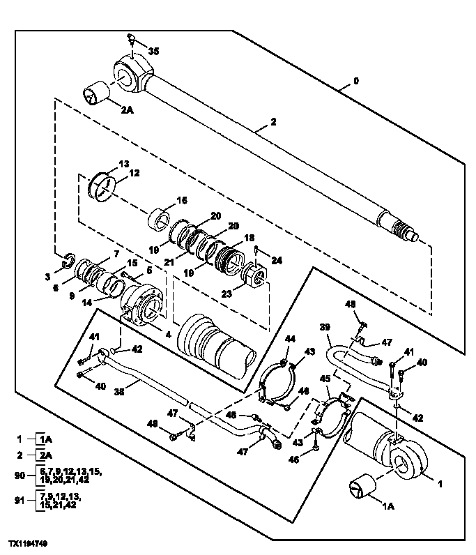
Запчасти John Deere 92ELC 287 - Arm Cylinder 3360 Hydraulic System

Схема запчастей John Deere 92ELC - 287 - Arm Cylinder 3360 Hydraulic System
FIT
1:1
100%

Артикул

Название

Примечание

Количество

0

9264720

Cylinder

Arm SUB FOR AT201181 91 27654 AND AT264199 Reman

1шт.

1

4646016

Hydraulic Cylinder Barrel

SUB FOR TH111551 OR 9127657

1шт.

1A

3036659

Bushing

SUB FOR TH111167

1шт.

2

4645919

Rod

NLA, SUB FOR AT201122 OR 7027218

1шт.

2A

3069670

Bushing

SUB FOR AT164650

1шт.

3

4369510

Ring

Retaining SUB FOR AT1817 95 Cylinder Serial Number

1шт.

4

1023029

Hydraulic Cylinder Cap

SUB FOR AT181796 AND AT130812, ALON G W/ 4369510, AT264280 AND AT264281

1шт.

5

M342700

Screw

SUB FOR TH111068

8шт.

6

TH111268

Seal

Cylinder Serial Number

1шт.

AT264280

Seal

SUB FOR AT181797 OR 43482 06 Cylinder Serial Number

1шт.

7

AT264410

Seal

SUB FOR TH111269

1шт.

9

AT264288

Ring

SUB FOR AT201004

1шт.

12

TH111206

O-Ring

Cylinder Serial Number

1шт.

AT264281

O-Ring

SUB FOR AT181798 OR 43747 78 Cylinder Serial Number

1шт.

13

AT264405

Back-Up Ring

SUB FOR TH111207

1шт.

14

4265019

Snap Ring

SUB FOR AT130813

1шт.

15

AT264238

Bushing

SUB FOR AT131417

1шт.

16

4194628

Ring

SUB FOR TH111277

1шт.

18

3036604

Piston

SUB FOR TH111165

1шт.

19

AT264413

Ring

SUB FOR TH111274

2шт.

20

AT264412

Wear Ring

SUB FOR TH111273

2шт.

21

AT264411

Ring

SUB FOR TH111272

1шт.

23

3062096

Nut

SUB FOR AT200985

1шт.

24

4201806

Set Screw

SUB FOR TH110066

1шт.

35

T116334

Lubrication Fitting

1шт.

38

8036939

Oil Line

SUB FOR TH111476

1шт.

39

8036938

Oil Line

SUB FOR TH111475

1шт.

40

19M8341

Screw

M12 X 45

4шт.

41

19M8444

Screw

M12 X 60

4шт.

42

AT264324

O-Ring

SUB FOR TH100044

2шт.

43

3043351

Clamp

SUB FOR TH111992

2шт.

44

8043042

Clamp

SUB FOR TH111993

1шт.

45

8044210

Clamp

SUB FOR TH111994

1шт.

46

12M7066

Lock Washer

10 mm

4шт.

19M7550

Cap Screw

M10 X 35

4шт.

47

4174241

Clamp

SUB FOR TH110059

3шт.

48

12M7066

Lock Washer

10 mm

6шт.

19M7402

Cap Screw

M10 X 25

6шт.

90

AT196476

Seal Kit

SUB FOR AT196472, AT201184 AND 9123264

1шт.

91

9175563

Hydraulic Cylinder Kit

If Additional Seals Are Required, Ord er As Separate Items SUB FOR AT181799

1шт.

Выбрано товаров: 40