Запчасти John Deere 92ELC 288 - Bucket Cylinder 3360 Hydraulic System

Схема запчастей John Deere 92ELC - 288 - Bucket Cylinder 3360 Hydraulic System
FIT
1:1
100%

Артикул

Название

Примечание

Количество

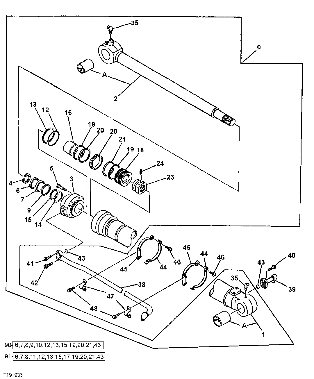
0

Cylinder

(SUB AT182461) ( AT201182 NLA)

1шт.

9264721JEX

Hydraulic Cylinder Reman

(REMAN) (SUB FOR AT182461)

1шт.

1

4646017J

Hydraulic Cylinder Barrel

(SUB FOR TH111599 OR 9121231)

1шт.

1A

3031789

Bushing

(SUB FOR TH110072)

1шт.

2

4645920J

Hydraulic Cylinder Rod

(SUB FOR AT201123 OR 7027219)

1шт.

2A

3036659

Bushing

(SUB FOR TH111167)

1шт.

3

1022645

Hydraulic Cylinder Cap

(SUB FOR AT131253) (ALSO ORDER AT264274, AT264294 AND 4369508)

1шт.

4

4369508

Ring

Retaining (SUB FOR AT2179 83) Cylinder Serial Number

1шт.

5

19M8630

Screw

M24 X 80

8шт.

6

AT264407

Seal

(K) (K1) (SUB FOR TH11121 5) Cylinder Serial Number

1шт.

AT264294

Seal

(SUB FOR AT217969, 434820 1) Cylinder Serial Number

1шт.

7

AT264408

Seal

(K) (K1) (SUB FOR TH111216)

1шт.

8

4389326

Ring

(K) (K1) (SUB FOR TH111217) (SUB FOR AT201003 AND AT264409) Not Illustrated

1шт.

9

Seal

( AT201003 NLA) (SUB AT 196473 OR AT181792) Kit

1шт.

10

TH101926

O-Ring

(K) Not Illustrated

2шт.

H158164

Scraper Ring

K1, SUB FOR 0409117 Not Illustrated Cyl inder Serial Number For Super Long Front

2шт.

11

AT264406

O-Ring

(K1) Not Illustrated

1шт.

12

TH110052

O-Ring

(K) Cylinder Serial Number

1шт.

AT264274

O-Ring

(K1) (SUB FOR AT159582, 426 7138) Cylinder Serial Number

1шт.

13

AT264399

Back-Up Ring

(K) (K1) (SUB FOR TH11005 5) Cylinder Serial Number

1шт.

14

4264982

Snap Ring

(SUB FOR AT131254)

1шт.

15

AT264239

Bushing

(K) (K1) (SUB FOR AT131420)

1шт.

16

4194625

Ring

(SUB FOR TH111275)

1шт.

17

AT280433

Back-Up Ring

(K1)

1шт.

18

3080835

Piston

(SUB FOR TH111164 AND 3036603)

1шт.

19

AT264400

Ring

(K) (K1) (SUB FOR TH110062, 4185247)

2шт.

20

AT264401

Wear Ring

(K) (K1) (SUB FOR TH110063)

2шт.

21

AT264402

Ring

(K) (K1) (SUB FOR TH110065)

1шт.

23

3039348

Nut

(SUB FOR TH111191)

1шт.

24

4201806

Set Screw

(SUB FOR TH110066)

1шт.

35

T116334

Lubrication Fitting

2шт.

38

8036941

Oil Line

(SUB FOR TH111478)

1шт.

39

8036940

Oil Line

(SUB FOR TH111477)

1шт.

40

19M8448

Screw

M12 X 35

4шт.

41

19M8341

Screw

M12 X 45

2шт.

42

19M8444

Screw

M12 X 60

2шт.

43

AT264324

O-Ring

(K) (K1) (SUB FOR TH100044)

2шт.

44

3043349

Clamp

(SUB FOR TH111883)

2шт.

45

8074320

Clamp

(SUB FOR TH111988)

2шт.

46

12M7066

Lock Washer

10 mm

4шт.

19M7550

Cap Screw

M10 X 35

4шт.

47

4174241

Clamp

(SUB FOR TH110059)

2шт.

48

12M7066

Lock Washer

10 mm

4шт.

19M7402

Cap Screw

M10 X 25

4шт.

50

AT176005

Arm

(WHOLEGOODS) (INCLUDES SHORT ARM, BUCKE T CYLINDER AND LINKAGE) Not Illustrated Contains All Items On This Page - Additi onal Components Listed On Separate Pages

1шт.

AT175816

Arm

(WHOLEGOODS) (INCLUDES STANDARD ARM, BUC KET CYLINDER AND LINKAGE) Not Illustrated Contains All Items On This Page - Additi onal Components Listed On Separate Pages

1шт.

AT175817

Arm

(WHOLEGOODS) (INCLUDES LONG ARM, BUCKET CYLINDER AND LINKAGE) Not Illustrated C ontains All Items On This Page - Additio nal Components Listed On Separate Pages

1шт.

90

AT196473

Seal Kit

(INCLUDES ALL (K) PARTS) (SUB FOR AT201185)

1шт.

91

AT264430

Seal Kit

(INCLUDES ALL (K1) PARTS)

1шт.

Выбрано товаров: 49