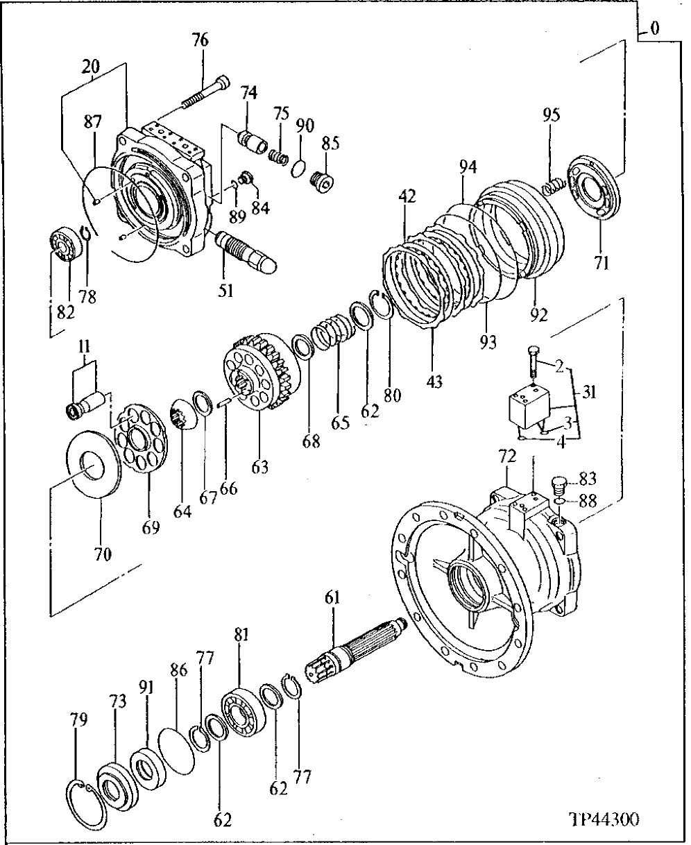
Запчасти John Deere 92ELC 319 - Swing Motor 4360 Hydraulics

Схема запчастей John Deere 92ELC - 319 - Swing Motor 4360 Hydraulics
FIT
1:1
100%

Артикул

Название

Примечание

Количество

0

AT217350

Hydraulic Motor

NLA, ORDER 4294479EX

1шт.

4294479EX

Hydraulic Motor Reman

SUB FOR AT201031, REMAN FOR AT217350

1шт.

2

19M7685

Cap Screw

M6 X 70

3шт.

3

CH10568

Packing

SUB FOR T150996

2шт.

4

4506406

O-Ring

5.800 X 1.900 mm (0.228" X 0.07 5") SUB FOR T150997 OR TH104587

1шт.

11

0365401

Piston

SUB FOR TH112029

9шт.

20

0365432

Housing

SUB FOR AT181741 OR TH112030

1шт.

31

0365303

Flow Control Hyd. Valve

SUB FOR TH112031

1шт.

42

0365428

Plate

SUB FOR TH112061

2шт.

43

0365429

Plate

SUB FOR TH112062

3шт.

51

0496101

Pressure Relief Valve

SUB FOR AT200932

2шт.

61

0365404

Shaft

SUB FOR TH112033

1шт.

62

0365405

Washer

SUB FOR TH112034

3шт.

63

0496104

Cylinder

SUB FOR TH112035 OR AT 167737 Use If Available

1шт.

64

0365407

Bushing

SUB FOR TH112036

1шт.

65

0365408

Spring

SUB FOR TH112037

1шт.

66

0365409

Pin

SUB FOR TH112038

12шт.

67

0365410

Washer

SUB FOR TH112039

1шт.

68

0365411

Washer

SUB FOR TH112040

1шт.

69

0365412

Pressed Flanged Housing

SUB FOR TH112041

1шт.

70

0365413

Washer

SUB FOR TH112042

1шт.

71

0496105

Plate

SUB FOR TH112043 OR AT167716

1шт.

72

Housing

AT200933 NLA, SUB FOR AT217350

1шт.

AT217350

Hydraulic Motor

NLA, ORDER 4294479EX

1шт.

4294479EX

Hydraulic Motor Reman

REMAN FOR AT217350

1шт.

73

0365416

Cover

SUB FOR TH112045

1шт.

74

0236006

Plunger

SUB FOR TH102635

2шт.

75

0236009

Spring

SUB FOR TH102638

2шт.

76

0365417

Screw

SUB FOR TH112046

4шт.

77

40M7166

Snap Ring

2шт.

78

40M7195

Snap Ring

1шт.

79

Z973069

Snap Ring

SUB FOR AT132424

1шт.

80

40M7043

Snap Ring

1шт.

81

AT132384

Cylindrical Roller Bearing

1шт.

82

0365324

Bearing

SUB FOR TH112052

1шт.

83

0236014

Fitting Plug

SUB FOR TH102650

1шт.

84

0236014

Fitting Plug

SUB FOR TH102650

2шт.

85

15M7027

Drain Plug

2шт.

86

AT264320

O-Ring

109.400 X 3.100 mm (4.307" X 0.122") SUB FOR T110448

1шт.

87

0365430

O-Ring

SUB FOR AT200934, 0496103 OR 0365423

1шт.

88

M800650

Packing

1шт.

89

M800650

Packing

2шт.

90

AT264347

O-Ring

SUB FOR TH100136 OR 4506428

2шт.

91

0251914

Seal

SUB FOR TH109952

1шт.

92

0365425

Piston

SUB FOR TH112057

1шт.

93

U42016

O-Ring

202.794 X 3.531 mm (7-63/64" X 0.139")

1шт.

94

0365427

O-Ring

221.840 X 3.530 mm (8-47/64" X 0.139") SUB FOR TH112059, 0411419, 4S00240 OR 4S01093

1шт.

95

0365331

Spring

SUB FOR TH112060

24шт.

Выбрано товаров: 48