Запчасти John Deere 92ELC 32 - Engine Overhaul Kit 0404 Cylinder Block 6076AT030 6076AT030

Схема запчастей John Deere 92ELC - 32 - Engine Overhaul Kit 0404 Cylinder Block 6076AT030 6076AT030
FIT
1:1
100%

Артикул

Название

Примечание

Количество

1

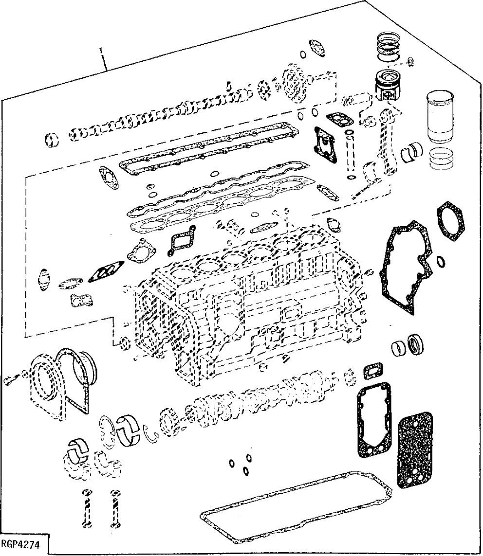
Engine Overhaul Kit

(PISTONS MARKED RE25652) (SU B RG27914, THIS APPLICATION)

1шт.

RG27914

Engine Overhaul Kit

(CONTAINS (6) ( RE60294 PISTON LINERS , GASKET KIT, STD BEARINGS, FRONT/REAR SEALS AND SNAP RINGS) (ALSO ORDER R6645 2 ROD BOLTS) (SUB FOR RE60296 OR RE6421 2)

1шт.

RG27920

Engine Overhaul Kit

Not As Shown (EXPANDED STD BEARINGS KIT) (CO NTAINS RG27914 PARTS, (12) R66452, (6) R74008 , (6) R57771 AND (4) R87561) (SUB FOR RE66784 )

1шт.

RG27921

Engine Overhaul Kit

Not As Shown (EXPANDED .010" US BRGS KIT) ( CONTAINS (6) RE60294, (6) AR73279, (6) AR748 16, AR77750, AR77753, RG27881, AR49025, RE52 0036, (12) E1343FN, (12) R66452, (6) R74008, (6) R57771 AND (4) R87561) (SUB FOR RE66785 )

1шт.

Выбрано товаров: 4