Запчасти John Deere 90 2 - CYLINDER BLOCK AND CRANKSHAFT BEARING SUPPORT 404 - ENGINE 4

Схема запчастей John Deere 90 - 2 - CYLINDER BLOCK AND CRANKSHAFT BEARING SUPPORT 404 - ENGINE 4
FIT
1:1
100%

Артикул

Название

Примечание

Количество

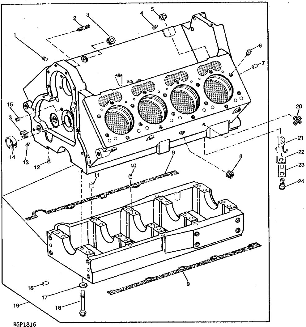
1

15H690

PIPE PLUG

3/4" 3/4", (SUB FOR AR72318)

1шт.

2

R61303

STUD

4шт.

3

15H280

PIPE PLUG

1-1/4", (SUB FOR R77588)

3шт.

4

RE57836

PIPE PLUG

1/2" 1/2", (SUB FOR AR72319 OR 15H624)

1шт.

5

R61870

ADAPTER FITTING

1шт.

6

R62002

BUSHING

4шт.

7

R58022

QUICK LOCK PIN

2шт.

8

15H281

PIPE PLUG

1-1/2"

1шт.

9

RE15157

GASKET KIT

(SUB FOR AR83580)

1шт.

10

R61480

PIN

2шт.

R61480

PIN

1шт.

11

R64680

DOWEL PIN

6шт.

12

M4224T

PLUG

10шт.

13

15H559

PIPE PLUG

1/4"

5шт.

14

R46903

BUSHING

5шт.

15

15H666

PIPE PLUG

3/8"

4шт.

16

R48685

DOWEL PIN

2шт.

17

R63325

WASHER

20шт.

18

R63324

BOLT

20шт.

19

AR105503

CYLINDER BLOCK

(MARKED R71545) (SUB SE500597)

1шт.

20

AT13740

DRAIN VALVE

1шт.

21

AR79518

OIL LINE

8шт.

22

R64376

PLATE

8шт.

23

R64378

LOCK PLATE

8шт.

24

R64377

HOLLOW SCREW

8шт.

Выбрано товаров: 25