Качественные детали и логистика
Оригинальные и аналоговые запчасти с доставкой по России, Казахстану и Беларуси
©2022 PartSell ООО "Система" ИНН 2463123282 ОГРН 1212400004838
Центральный офис: г. Красноярск, Академика Киренского, д.87, пом.4
Телефон: 8 (800) 777-65-74 Email: zakaz@partsell.ru
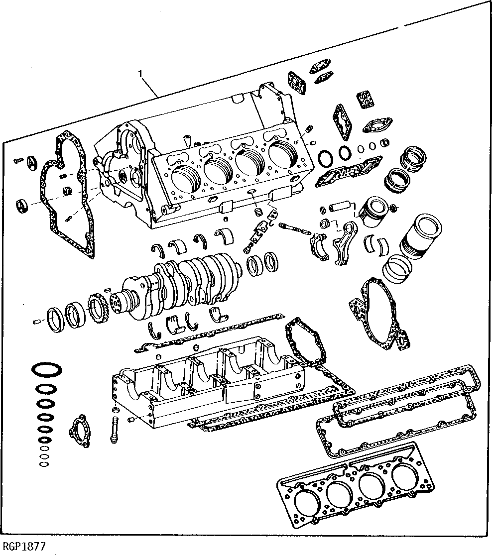
6 - ENGINE SHORT BLOCK
№
Артикул
Название
Примечание
Количество
1
AR83577
SHORT BLOCK ASSEMBLY
(A) (MARKED R58020) (SUB SE500597)
1шт.
RE10024
(A) (MARKED R71545) (SUB SE500597)
RG20629
(A) (REMANUFACTURED) (SUB FOR AR105503) (SUB SE500597)
SE500597
ENGINE
(REMANUFACTURED COMPLETE ENGINE) (SUB FOR RG23417)
SE500477
BASIC DIESEL ENGINE REMAN
(REMANUFACTURED FOR 6101AT013)
Выбрано товаров: 0