Запчасти John Deere 90 19 - OIL PRESSURE REGULATING HOUSING 407 - ENGINE 4

Схема запчастей John Deere 90 - 19 - OIL PRESSURE REGULATING HOUSING 407 - ENGINE 4
FIT
1:1
100%

Артикул

Название

Примечание

Количество

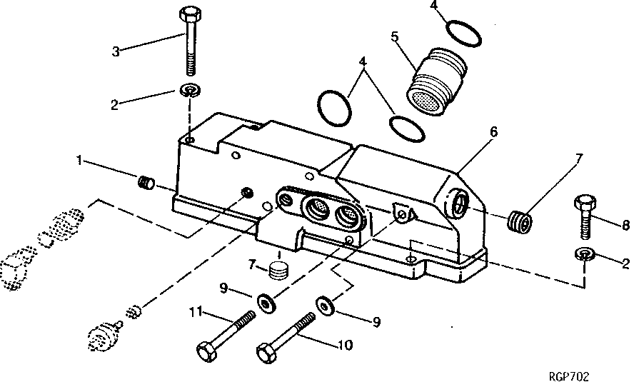
1

RE57836

PIPE PLUG

1/2", (SUB FOR 15H624)

1шт.

RE57836

PIPE PLUG

1/2", (SUB FOR 15H624)

2шт.

RE57836

PIPE PLUG

1/2", (SUB FOR 15H624)

3шт.

2

12M7058

LOCK WASHER

12 MM, (SUB FOR 12M7067)

2шт.

3

19M7289

CAP SCREW

M12 X 110

1шт.

4

R61031

O-RING

5шт.

5

R61021

BUSHING

1шт.

6

R61016

HOUSING

1шт.

7

15H690

PIPE PLUG

3/4"

2шт.

15H690

PIPE PLUG

3/4"

4шт.

8

19M7496

CAP SCREW

M12 X 45

1шт.

9

24M7239

WASHER

10.700 X 21 X 2.500 MM, (SUB FOR R42729 OR M72490)

5шт.

10

19M8166

CAP SCREW

M10 X 110, (SUB FOR 19M7346)

1шт.

11

19M7668

CAP SCREW

M10 X 100

4шт.

Выбрано товаров: 14