Запчасти John Deere 90 5 - FUEL INJECTION PUMP 413 - ENGINE 4

Схема запчастей John Deere 90 - 5 - FUEL INJECTION PUMP 413 - ENGINE 4
FIT
1:1
100%

Артикул

Название

Примечание

Количество

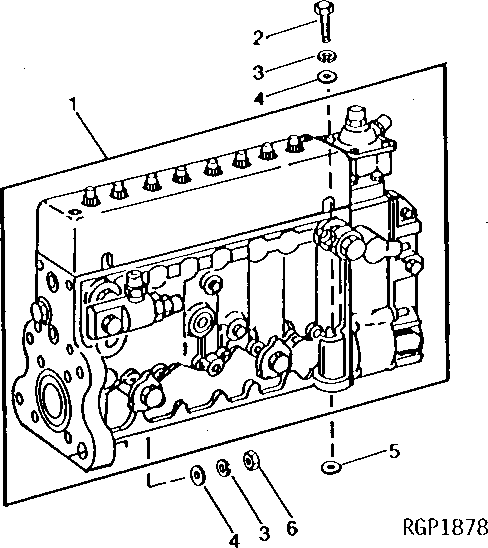
1

AR78282

FUEL INJECTION PUMP

(A)

1шт.

AR103262

FUEL INJECTION PUMP

(A) (PES8P110A120RS3111)

1шт.

RE29367

FUEL INJECTION PUMP

(A) (PES8P110A120RS3111) (SUB AR103262)

1шт.

RE29365

FUEL INJECTION PUMP

(A) (PES8P110A120RS3111) (SUB AR103262)

1шт.

2

19M7408

CAP SCREW

M10 X 90

2шт.

3

12M7066

LOCK WASHER

10 MM

6шт.

4

24H1305

WASHER

13/32" X 13/16" X 0.065"

6шт.

5

R61627

SHIM

076 MM (.003")

ARшт.

R61628

SHIM

127 MM (.005")

ARшт.

6

14M7274

NUT

M10, (SUB FOR 14M7294)

4шт.

Выбрано товаров: 10