Запчасти John Deere 90 4 - TURBOCHARGER 416 - ENGINE 4

Схема запчастей John Deere 90 - 4 - TURBOCHARGER 416 - ENGINE 4
FIT
1:1
100%

Артикул

Название

Примечание

Количество

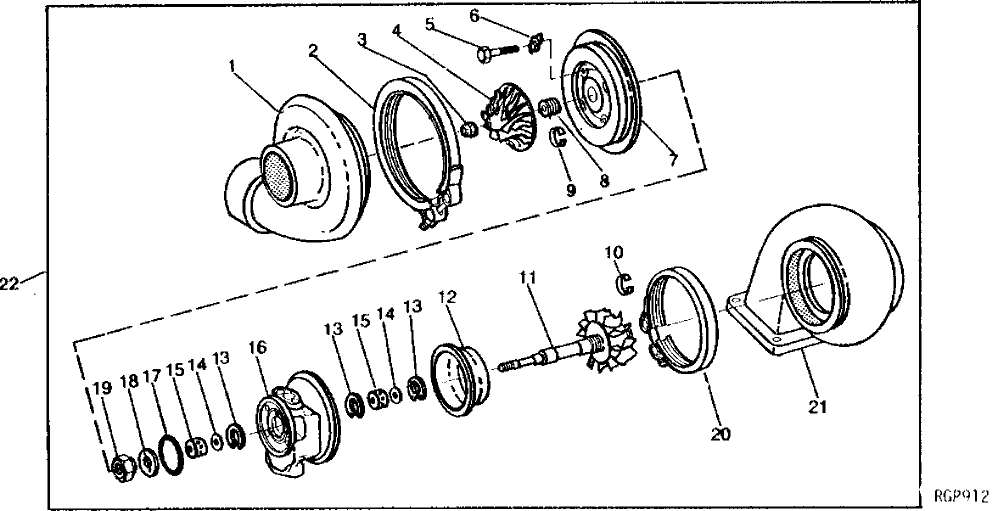
1

R76599

HOUSING

(SUB FOR R68523)

1шт.

2

AR89300

CLAMP

1шт.

3

R68527

LOCK NUT

1шт.

4

R68526

IMPELLER

1шт.

5

19H1914

CAP SCREW

1/4" X 1"

4шт.

6

R60310

PLATE

4шт.

7

AR89299

PLATE

1шт.

8

R60308

SPACER

1шт.

9

R52870

PISTON RING

2шт.

10

R60303

PISTON RING

1шт.

11

AR89301

WHEEL

1шт.

12

R68525

SHROUD

1шт.

13

R52876

SNAP RING

3шт.

14

R60305

SHIM

2шт.

15

R60304

BEARING

STD

2шт.

R60392

BEARING

0.13 MM US

2шт.

R60393

BEARING

0.25 MM US, (SUB RE51483)

2шт.

RE51483

BEARING KIT

1шт.

16

AR89298

HOUSING

1шт.

17

R43805

O-RING

1шт.

18

R60306

THRUST BEARING

1шт.

19

R60307

LOCKING COLLAR

1шт.

20

AR73132

CLAMP

1шт.

21

R68524

HOUSING

1шт.

22

AR89296

TURBOCHARGER

REMANUFACTURED, (SUB AR104052)

1шт.

Выбрано товаров: 25