Запчасти John Deere 90 6 - STARTER ARMATURE, MAIN FRAME, COIL AND END FRAME 422 - ENGINE 4

Схема запчастей John Deere 90 - 6 - STARTER ARMATURE, MAIN FRAME, COIL AND END FRAME 422 - ENGINE 4
FIT
1:1
100%

Артикул

Название

Примечание

Количество

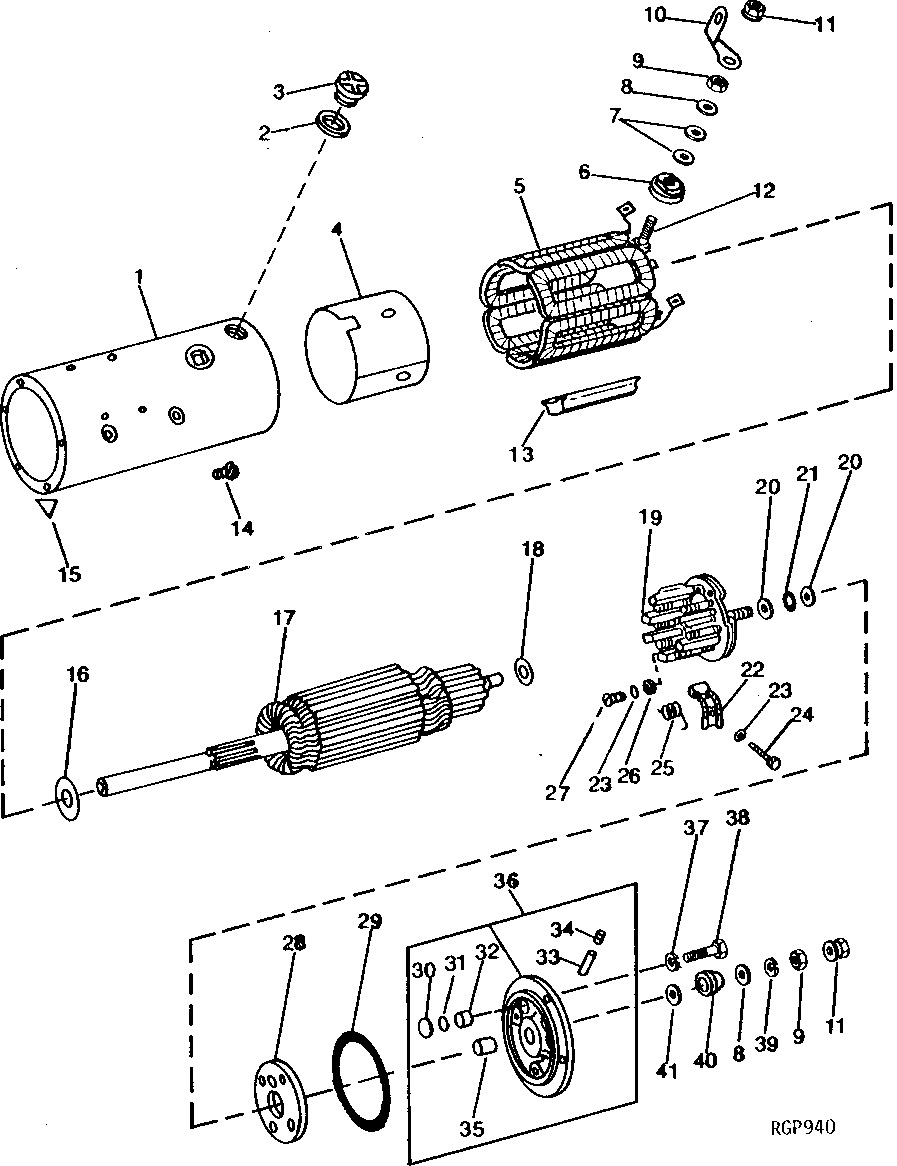
1

FRAME

(SUB RE10464 AND RE39064)

1шт.

2

R11121

GASKET

3шт.

3

R11133

PLUG

3шт.

4

R68622

INSULATOR

1шт.

5

AR89418

FIELD WINDING COIL

1шт.

6

AR40171

GROMMET

1шт.

7

R68624

WASHER

4шт.

8

R68625

WASHER

2шт.

9

14H971

NUT

1/2"

2шт.

10

R68626

ANGLE

1шт.

11

AR102764

NUT

2шт.

12

R11146

SCREW

1шт.

13

R68623

SHOE

6шт.

14

21H1280

SCREW

3/8" X 3/4"

12шт.

15

R11253

INSULATOR

1шт.

16

R11018

WASHER

1шт.

17

( AR89421 NO LONGER AVAILABLE)

1шт.

18

R68632

WASHER

1шт.

19

RE12103

HOLDER

1шт.

20

R11011

WASHER

2шт.

21

R394R

O-RING

1шт.

22

RE12102

BRUSH

12шт.

23

12H315

LOCK WASHER

0.164"

15шт.

24

21H1293

SCREW

0.164" X 5/16"

12шт.

25

R75950

SPRING

6шт.

26

24H1281

WASHER

5/32" X 3/8" X 0.049"

3шт.

27

21H1158

SCREW

0.164" X 1/2"

3шт.

28

R68627

INSULATOR

1шт.

29

F2573R

O-RING

1шт.

30

R68630

PLUG

1шт.

31

R68631

GASKET

1шт.

32

R68629

FELT

1шт.

33

R76756

WICK

1шт.

34

R75955

PLUG

1шт.

35

R68628

BUSHING

1шт.

36

AR105241

FRAME

1шт.

37

12H302

LOCK WASHER

1/4"

6шт.

38

19H3005

CAP SCREW

1/4" X 1"

6шт.

39

12H301

LOCK WASHER

1/2"

1шт.

40

R11012

WASHER

1шт.

41

R11011

WASHER

2шт.

Выбрано товаров: 41