Запчасти John Deere 90 6 - ENGINE GASKET SETS 452 - ENGINE 4

Схема запчастей John Deere 90 - 6 - ENGINE GASKET SETS 452 - ENGINE 4
FIT
1:1
100%

Артикул

Название

Примечание

Количество

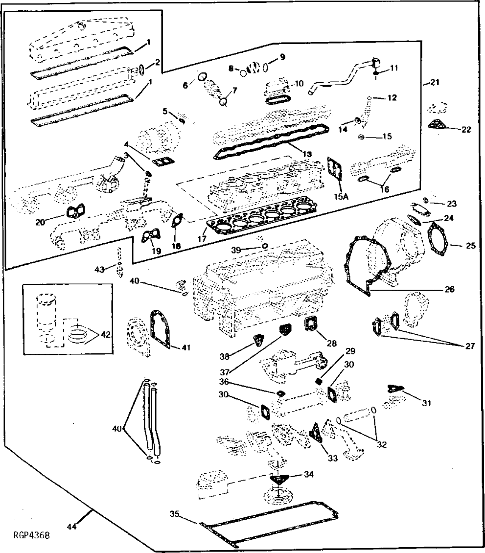
1

R88993

GASKET

(A)

NAшт.

R116509

GASKET

2шт.

2

R100911

SEAL

1шт.

3

R105346

GASKET

1шт.

4

R98235

GASKET

1шт.

5

GASKET

(A)

NAшт.

6

O-RING

(A)

NAшт.

7

O-RING

(A)

NAшт.

8

R49424

O-RING

1шт.

9

R49424

O-RING

1шт.

10

R49492

GASKET

1шт.

11

R56463

O-RING

1шт.

12

R51603

O-RING

6шт.

13

R74365

GASKET

1шт.

14

R77551

O-RING

6шт.

15

R84472

WASHER

6шт.

15A

R120293

GASKET

1шт.

16

R88397

GASKET

2шт.

17

RE34009

ENGINE CYLINDER HEAD GASKET

1шт.

18

R80970

GASKET

2шт.

19

R80969

GASKET

2шт.

20

R40088

GASKET

3шт.

21

RE56491

GASKET KIT

CYLINDER HEAD

1шт.

22

R81274

GASKET

1шт.

23

T20328

GASKET

1шт.

24

R520616

GASKET

(SUB FOR R82943)

1шт.

25

R35349

GASKET

1шт.

26

R49483

GASKET

1шт.

27

R520542

GASKET

(SUB FOR R49495)

2шт.

28

R114332

GASKET

1шт.

29

R49490

GASKET

1шт.

30

R57504

GASKET

2шт.

31

R69418

GASKET

1шт.

32

R71732

O-RING

2шт.

33

R71312

GASKET

1шт.

R100569

GASKET

(USE WITH RE60622)

1шт.

34

R74464

GASKET

1шт.

35

RE509291

GASKET

(USE WITH ALUMINUM PAN) (THICK) (SUB FOR R64828)

1шт.

36

R49491

GASKET

1шт.

37

R49484

GASKET

1шт.

38

R49485

GASKET

1шт.

39

U13639

O-RING

1шт.

40

R47153

O-RING

5шт.

41

R35043

GASKET

1шт.

42

AR72351

O-RING KIT

(NO LONGER INCLUDED)

6шт.

43

R72328

O-RING

1шт.

44

RE56492

GASKET KIT

ENGINE REBUILD

1шт.

Выбрано товаров: 47