Запчасти John Deere 90 8 - FUEL PUMP 560 - ENGINE AUXILIARY SYSTEMS 5

Схема запчастей John Deere 90 - 8 - FUEL PUMP 560 - ENGINE AUXILIARY SYSTEMS 5
FIT
1:1
100%

Артикул

Название

Примечание

Количество

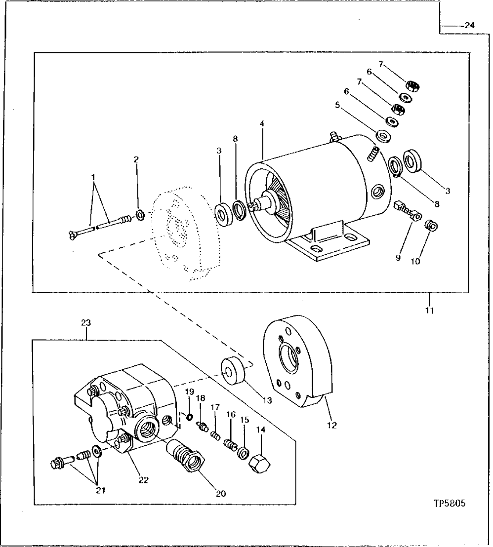
1

SCREW

( R69075 NO LONGER AVAILABLE FOR SERVICE)

2шт.

2

12M7084

LOCK WASHER

4.300 MM

2шт.

3

R77156

BALL BEARING

(SUB FOR AR89990)

2шт.

4

HOUSING

(SUB AR89989)

1шт.

5

M41860

WASHER

2шт.

6

12H302

LOCK WASHER

1/4"

4шт.

7

14H850

NUT

1/4"

4шт.

8

R32507

SNAP RING

2шт.

9

AR89991

BRUSH

2шт.

10

R69076

PLUG

2шт.

11

AR89989

MOTOR

1шт.

12

R69074

ADAPTER FITTING

1шт.

13

AN152900

SEAL

1шт.

14

R69072

NUT

1шт.

15

R69073

GASKET

1шт.

16

R69071

SCREW

1шт.

17

R77297

SPRING

1шт.

18

R77296

VALVE

1шт.

19

R77551

O-RING

1шт.

20

AR89987

STRAINER

REDUCER, WITH STRAINER

1шт.

21

AR89988

SCREW

4шт.

22

HOUSING

(SUB RE10732)

1шт.

23

RE10732

FUEL PUMP

1шт.

24

RE16143

FUEL PUMP

(SUB FOR RE10731)

1шт.

Выбрано товаров: 24