Запчасти John Deere 90 1 - ALTERNATOR AND REGULATOR MOUNTING 1672 - ELECTRICAL SYSTEMS 16

Схема запчастей John Deere 90 - 1 - ALTERNATOR AND REGULATOR MOUNTING 1672 - ELECTRICAL SYSTEMS 16
FIT
1:1
100%

Артикул

Название

Примечание

Количество

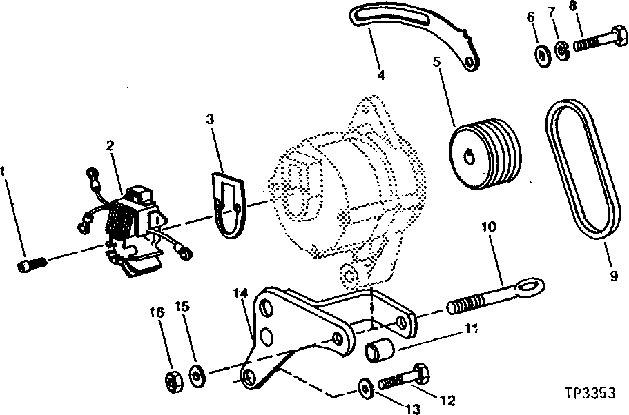
1

37H78

SCREW

0.164" X 3/4"

2шт.

2

AT49452

VOLTAGE REGULATOR

(MOTOROLA NO. BRG3002)

1шт.

3

GASKET

( T29100, USE IF AVAILABLE)

1шт.

4

R68478

STRAP

1шт.

5

T75067

PULLEY

(SUB FOR U44443, THIS APPLICATION)

1шт.

6

24H1292

WASHER

11/32" X 3/4" X 0.120"

1шт.

7

12H304

LOCK WASHER

3/8"

1шт.

8

19H2705

CAP SCREW

5/16" X 1"

1шт.

9

T60985

V-BELT

1шт.

10

19H1814

CAP SCREW

HS, SAE 8, 3/8" X 6-3/4"

1шт.

11

BUSHING

3/8" X 3.781" ( 28H3324 NO LONGER AVAILABLE)

1шт.

12

19M3014

CAP SCREW

M20 X 2.5 X 45

2шт.

13

24H1305

WASHER

13/32" X 13/16" X 0.065"

2шт.

14

AT69068

BRACKET

1шт.

15

24M7188

WASHER

22 X 37 X 3 MM

1шт.

16

14H812

NUT

3/8", M10 X 1.5

1шт.

Выбрано товаров: 16