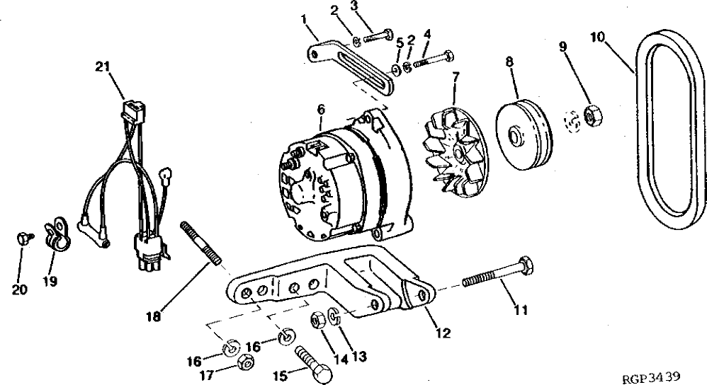
Запчасти John Deere 90 1A - ALTERNATOR, MOUNTING BRACKET, ADJUSTING STRAP AND PULLEY 1672 - ELECTRICAL SYSTEMS 16

Схема запчастей John Deere 90 - 1A - ALTERNATOR, MOUNTING BRACKET, ADJUSTING STRAP AND PULLEY 1672 - ELECTRICAL SYSTEMS 16
FIT
1:1
100%

Артикул

Название

Примечание

Количество

1

R49593

STRAP

1шт.

2

LOCK WASHER

NAшт.

3

19H3239

CAP SCREW

3/8" X 1-1/4"

1шт.

R51649

BEARING RACE

1шт.

4

19M7163

CAP SCREW

M8 X 25

1шт.

5

24H1292

WASHER

11/32" X 3/4" X 0.120"

1шт.

6

TY24322

ALTERNATOR

(NEW) (CONVENIENCE ASSEMBLY) (24V-45AMP) (SUB FOR AT175195) (SUB FOR AT185696)

1шт.

TY24322

ALTERNATOR

(REMANUFACTURED) (24V-45AMP) (SUB FOR TY6774)

1шт.

AT163156

REGULATOR

1шт.

H144095

CAPACITOR

1шт.

T10745

WASHER

1шт.

14M7158

NUT

1шт.

SE501341

(REMANUFACTURED FOR TY24321)

1шт.

7

T158584

FAN

(SUB FOR L33993)

1шт.

8

R108675

PULLEY

1шт.

9

14H866

NUT

5/8"

1шт.

10

R77776

V-BELT

1шт.

11

19M7808

SCREW

M10 X 65

1шт.

12

R77596

BRACKET

1шт.

13

LOCK WASHER

NAшт.

14

14M7274

NUT

M10

1шт.

15

19H2731

CAP SCREW

7/16" X 1-3/8"

1шт.

16

LOCK WASHER

NAшт.

17

14H1059

NUT

7/16"

1шт.

18

K3083R

STUD

1шт.

19

CLAMP

NAшт.

20

CAP SCREW

NAшт.

21

WIRING HARNESS

NAшт.

Выбрано товаров: 28