Запчасти John Deere 90 10 - CONDENSER FAN CONTINUOUS DUTY SOLENOID AND COMPRESSOR SOLENOID 1830 - OPERATORS STATION 18

Схема запчастей John Deere 90 - 10 - CONDENSER FAN CONTINUOUS DUTY SOLENOID AND COMPRESSOR SOLENOID 1830 - OPERATORS STATION 18
FIT
1:1
100%

Артикул

Название

Примечание

Количество

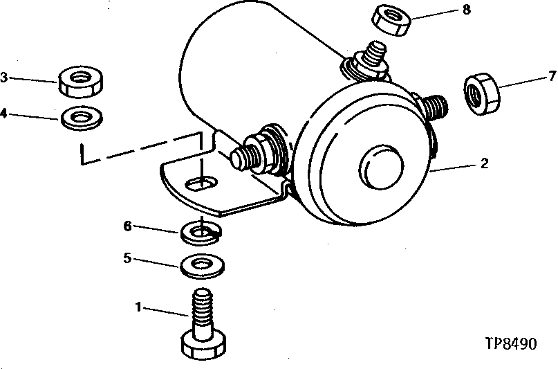
1

19H1948

CAP SCREW

1/4" X 3/4"

4шт.

2

AT69528

SOLENOID

(SUB FOR AT38151)

2шт.

3

14H786

NUT

1/4"

4шт.

4

12H297

LOCK WASHER

1/4"

2шт.

5

12M7033

LOCK WASHER

10.500 MM, (SUB FOR 12H331, THIS APPLICATION)

2шт.

6

12H302

LOCK WASHER

1/4"

2шт.

7

14H650

NUT

5/16"

2шт.

8

14H631

NUT

0.190"

1шт.

Выбрано товаров: 8