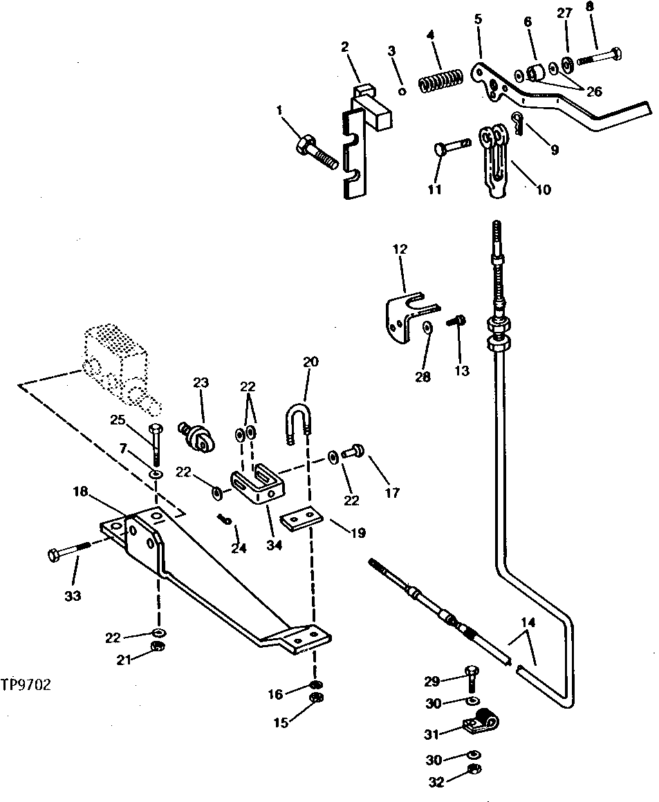
Запчасти John Deere 90 16 - PILOT CONTROL MANUAL SHUT-OFF 3360 - EXCAVATOR 33

Схема запчастей John Deere 90 - 16 - PILOT CONTROL MANUAL SHUT-OFF 3360 - EXCAVATOR 33
FIT
1:1
100%

Артикул

Название

Примечание

Количество

1

T22728

SCREW

2шт.

2

AT69828

BRACKET

1шт.

3

400R

BALL

1шт.

4

T44090

SPRING

1шт.

5

T72660

LEVER

1шт.

T75189

LEVER

1шт.

6

U13177

BUSHING

(SUB T75190)

1шт.

T75190

SPACER

1шт.

7

24H1305

WASHER

13/32" X 13/16" X 0.065"

2шт.

8

19H3239

CAP SCREW

3/8" X 1-1/4"

1шт.

9

11M7079

COTTER PIN

2.500 X 12 MM

1шт.

10

T184870

YOKE

(SUB FOR T38708)

1шт.

11

H858R

PIN FASTENER

1шт.

12

T71862

CLAMP

(SUB T75191, T75188, (2) 24H1821 AND (2) 19H1948)

1шт.

T75191

ANGLE

1шт.

13

37H137

SCREW

NO. 10 X 5/8"

2шт.

19H1948

CAP SCREW

1/4" X 3/4"

2шт.

14

AT107238

CABLE

(SUB FOR AT69360 ALONG WITH T107033)

1шт.

15

14H786

NUT

1/4"

2шт.

16

12H302

LOCK WASHER

1/4"

2шт.

17

B12584

PIN FASTENER

1шт.

18

T76627

BRACKET

1шт.

19

T15021

STRAP

1шт.

20

T13988

U-BOLT

1шт.

21

14H812

NUT

3/8"

2шт.

22

24H1287

WASHER

9/32" X 5/8" X 0.065"

6шт.

23

T76626

EYEBOLT

1шт.

24

11M7082

COTTER PIN

2.500 X 25 MM

1шт.

25

19H3483

CAP SCREW

3/8" X 1-1/8"

2шт.

26

T35704

SHIM

ARшт.

27

24H1308

WASHER

13/32" X 1" X 0.134"

1шт.

28

24H1821

WASHER

9/32" X 47/64" X 1/16"

2шт.

29

19H1648

CAP SCREW

3/8" X 3/4"

1шт.

30

24H1305

WASHER

13/32" X 13/16" X 0.065"

2шт.

31

H75541

CLAMP

(SUB FOR R34557)

1шт.

32

14H812

NUT

3/8"

1шт.

33

19H2020

CAP SCREW

5/16" X 1/2"

2шт.

34

T76628

CLEVIS

1шт.

Выбрано товаров: 38