Запчасти John Deere 90 38 - BOOM, CROWD AND BUCKET CONTROL VALVE 3360 - EXCAVATOR 33

Схема запчастей John Deere 90 - 38 - BOOM, CROWD AND BUCKET CONTROL VALVE 3360 - EXCAVATOR 33
FIT
1:1
100%

Артикул

Название

Примечание

Количество

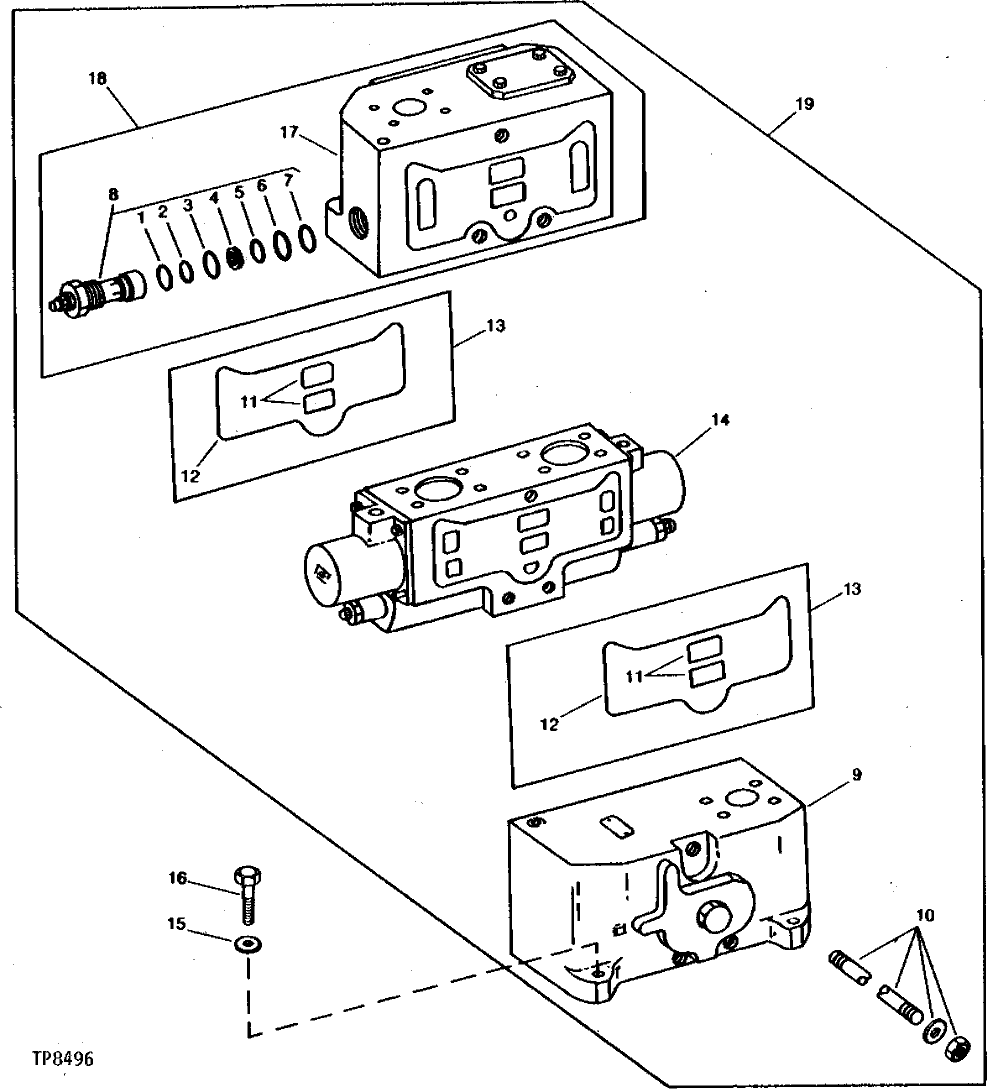
1

U40971

SEALING RING

1шт.

2

H81608

O-RING

1шт.

3

R1138R

O-RING

34.519 X 3.531 MM (1-23/64" X 0.139") (SUB FOR N131820, THIS APPLICATION)

1шт.

4

T75524

BACK-UP RING

1шт.

5

U40962

O-RING

1шт.

6

T71823

BACK-UP RING

(SUB FOR H60815, THIS APPLICATION)

1шт.

7

R29354

O-RING

1шт.

8

AT112407

RELIEF VALVE

(SUB FOR AT68885)

1шт.

9

AT68887

CONTROL VALVE

1шт.

10

ROD

(SUB AT74566)

3шт.

AT74566

STUD

3шт.

11

O-RING

(SUB AT68886)

8шт.

12

O-RING

(SUB AT68886)

4шт.

13

AT68886

SECTION

4шт.

14

AT74569

CONTROL VALVE

(SUB FOR AT68888)

3шт.

15

24H1111

WASHER

17/32" X 1-1/16" X 0.090"

3шт.

16

19H2644

CAP SCREW

1/2" X 2-1/2"

3шт.

17

CONTROL VALVE

INLET SECTION ( AT68884, USE IF AVAILABLE)

1шт.

18

AT72160

CONTROL VALVE

INLET SECTION

1шт.

19

CONTROL VALVE

(SUB FOR AT72159) ( AT72159 NO LONGER AVAILABLE) (SUB AT74563, IF AVAILABLE)

1шт.

Выбрано товаров: 20