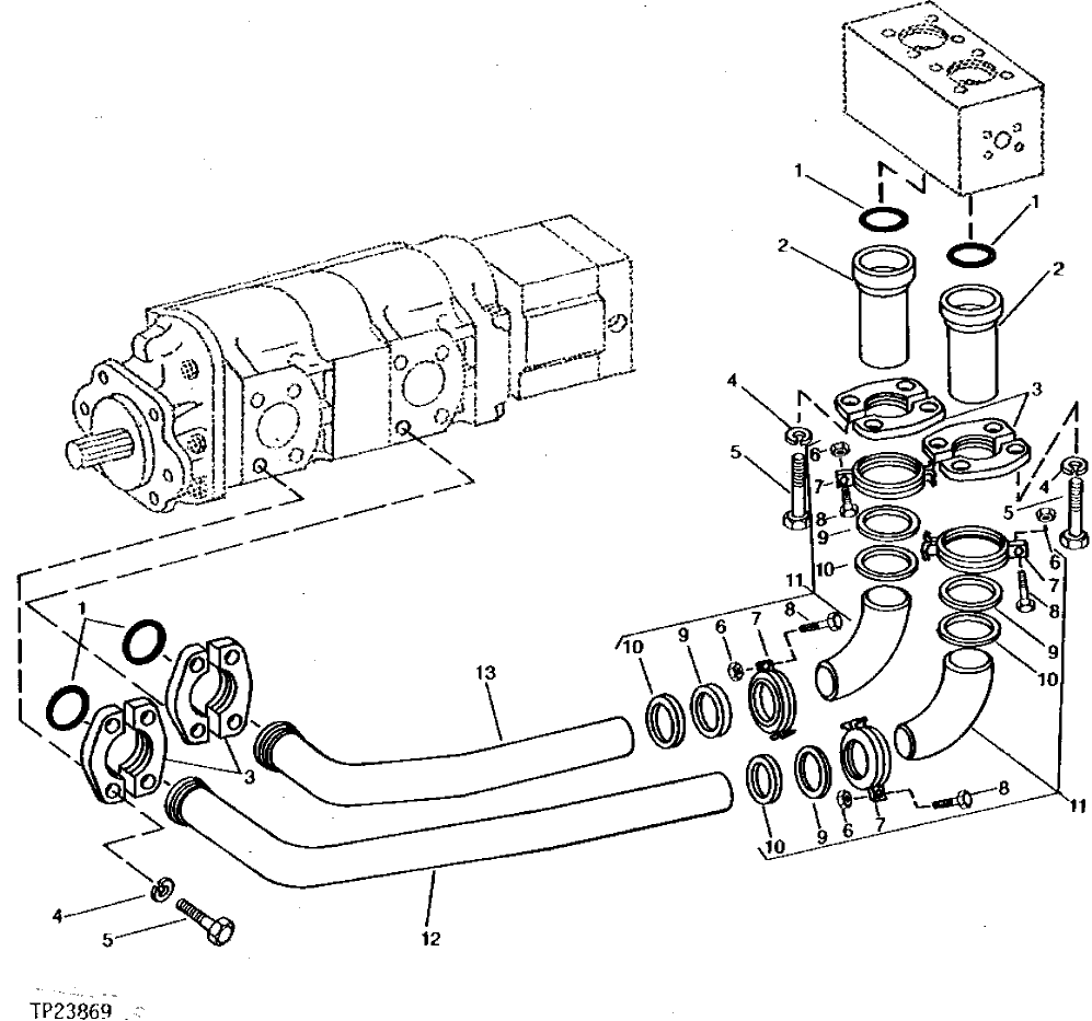
Запчасти John Deere 90 54 - PUMP TO RESERVOIR HYDRAULICS 3360 - EXCAVATOR 33

Схема запчастей John Deere 90 - 54 - PUMP TO RESERVOIR HYDRAULICS 3360 - EXCAVATOR 33
FIT
1:1
100%

Артикул

Название

Примечание

Количество

1

R86192

O-RING

(SUB FOR U12331)

4шт.

2

AT53201

TUBE

2шт.

3

X51H-40

FLANGE FITTING

(SUB FOR T59379 OR U44384)

8шт.

4

12H301

LOCK WASHER

1/2"

16шт.

5

19H2473

CAP SCREW

1/2" X 1-3/4", (PUMP FLANGE)

8шт.

19H2993

CAP SCREW

1/2" X 1-1/2", (RESERVOIR FLANGE)

8шт.

6

T16464

LOCK NUT

(SUB FOR BP12232)

4шт.

7

AT58252

CLAMP

4шт.

8

03H1937

BOLT

5/16" X 1-1/4"

4шт.

9

T60843

RETAINER

4шт.

10

T60842

GASKET

4шт.

11

AT53202

ELBOW FITTING

(SUB (2) T104407, (2) AT112344 AND (8) AT39141)

2шт.

12

AT59628

TUBE

(SUB (2) T104407, (2) AT112344 AND (8) AT112159)

1шт.

13

AT59629

TUBE

(SUB (2) T104407, (2) AT112344, (8) AT39141 AND AT112160)

1шт.

Выбрано товаров: 14