Запчасти John Deere 90 12 - PROPEL MOTOR O-RING KIT 260 - AXLES AND SUSPENSION SYSTEMS 2

Схема запчастей John Deere 90 - 12 - PROPEL MOTOR O-RING KIT 260 - AXLES AND SUSPENSION SYSTEMS 2
FIT
1:1
100%

Артикул

Название

Примечание

Количество

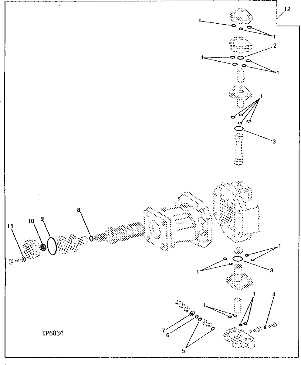
1

T74550

O-RING

19шт.

2

T74549

O-RING

1шт.

3

T74548

O-RING

2шт.

4

T70177

O-RING

1шт.

5

T74553

O-RING

1шт.

6

T74552

O-RING

1шт.

7

T74551

BACK-UP RING

1шт.

8

T74555

O-RING

1шт.

9

T74547

O-RING

1шт.

10

SEAL

( AT74309 USE IF AVAILABLE)

1шт.

11

T74554

WASHER

8шт.

12

AT72232

O-RING KIT

1шт.

Выбрано товаров: 12