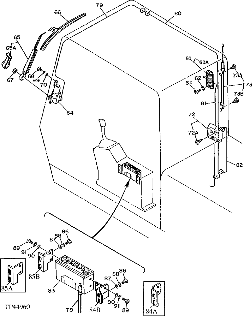
Запчасти John Deere 92DLC 8 - CAB ELECTRICAL PARTS 1674 - ELECTRICAL SYSTEM 16

Схема запчастей John Deere 92DLC - 8 - CAB ELECTRICAL PARTS 1674 - ELECTRICAL SYSTEM 16
FIT
1:1
100%

Артикул

Название

Примечание

Количество

40

4414528

BRACKET

(NOT ILLUSTRATED)

1шт.

41

4414529

BRACKET

(NOT ILLUSTRATED)

1шт.

42

21M7285

SCREW

M6 X 12, (NOT ILLUSTRATED)

4шт.

43

12M7006

LOCK WASHER

6 MM, (NOT ILLUSTRATED)

4шт.

44

24M7293

WASHER

6.500 X 13 X 1.600 MM, (NOT ILLUSTRATED)

4шт.

45

21M7283

SCREW

M5 X 8, (NOT ILLUSTRATED)

4шт.

46

12M7064

LOCK WASHER

5 MM, (NOT ILLUSTRATED)

8шт.

47

24M7027

WASHER

5.300 X 10 X 1 MM, (NOT ILLUSTRATED)

4шт.

48

3096663

BRACKET

(NOT ILLUSTRATED)

2шт.

49

4488672

WIRING HARNESS

(NOT ILLUSTRATED)

1шт.

50

4489171

DIODE WIRING HARNESS

(NOT ILLUSTRATED)

1шт.

51

19M7700

CAP SCREW

M5 X 10, (NOT ILLUSTRATED)

4шт.

52

24M7348

WASHER

5.500 X 10 X 1 MM, (NOT ILLUSTRATED)

4шт.

53

14M7297

NUT

M5, (NOT ILLUSTRATED)

4шт.

54

J680514

SCREW WITH WASHER

(NOT ILLUSTRATED)

4шт.

60

4187082

LAMP

(SUB FOR TH108567) DOME

1шт.

60A

4187083

BULB

(SUB FOR TH108568) (DOME LIGHT)

1шт.

61

21M7265

SCREW

M5 X 12

2шт.

62

12M7064

LOCK WASHER

5 MM

2шт.

64

4188762

WIPER MOTOR

(SUB FOR TH108570)

1шт.

65

4257131

WIPER ARM

(SUB FOR TH108571) (SILVER) (USE IF AVAILABLE)

1шт.

4257131

WIPER ARM

(SUB FOR TH108571) (SUB FOR AT154240) (BLACK)

1шт.

65A

COVER

( TH108572 NO LONGER AVAILABLE)

1шт.

66

WIPER BLADE

( TH101573 NO LONGER AVAILABLE) (SUB TY16303) (ALSO ORDER TY16323) (SILVER)

1шт.

TY16304

WIPER BLADE

(SUB FOR 4257132) (ALSO ORDER TY16323) (BLACK)

1шт.

67

14M7273

NUT

M8

1шт.

68

21M7288

SCREW

M6 X 10

3шт.

69

12M7006

LOCK WASHER

6 MM

3шт.

70

24M7054

WASHER

6.400 X 12 X 1.600 MM

3шт.

72

4121152

SPEAKER

(SUB FOR AT131695)

1шт.

72A

4210414

SCREW

(SUB FOR AT131866)

4шт.

73

4123177

ANTENNA

(SUB FOR AT131697) (RADIO)

1шт.

73A

4210412

SCREW

(SUB FOR AT131864)

1шт.

73B

4210413

SCREW

(SUB FOR AT131865)

1шт.

78

4102096

WIRING HARNESS

(SUB FOR AT154913)

1шт.

79

4229055

WIRING HARNESS

(SUB FOR TH111933) (WIPER)

1шт.

80

4229056

WIRING HARNESS

(SUB FOR TH111934) (WIPER RELAY)

1шт.

81

4229057

WIRING HARNESS

(SUB FOR TH111935) (DOME LIGHT)

1шт.

82

4229058

WIRING HARNESS

(SUB FOR AT132519) (RADIO SPEAKER)

1шт.

83

RADIO

( 4043976 NLA) (SUB 3069588)

1шт.

RADIO

( 4286520 NLA) (SUB FOR 4335726, AT166049)

1шт.

84A

4198945

BRACKET

(SUB FOR AT131728)

1шт.

84B

3069588

BRACKET

(SUB FOR AT166050) (USE WITH 4335726)

1шт.

85A

4198946

BRACKET

(SUB FOR AT131729)

1шт.

85B

4337228

BRACKET

(SUB FOR AT166051) (USE WITH 4335726)

1шт.

86

21M7288

SCREW

M6 X 10

4шт.

87

24M7054

WASHER

6.400 X 12 X 1.600 MM

4шт.

88

12M7006

LOCK WASHER

6 MM

4шт.

89

21M7282

SCREW

M5 X 8, (SUB FOR AT131558 AND 21M7273)

4шт.

21M7282

SCREW

M5 X 8

2шт.

90

24M7027

WASHER

5.300 X 10 X 1 MM

4шт.

24M7027

WASHER

5.300 X 10 X 1 MM (0.209" X 0.394" X 0.039")

3шт.

91

12M7064

LOCK WASHER

5 MM

4шт.

12M7064

LOCK WASHER

5 MM (0.197")

3шт.

Выбрано товаров: 54