Запчасти John Deere 92DLC 2 - MAIN HYDRAULIC PUMP AND DRIVE 2160 - MAIN HYDRAULIC SYSTEM 21

Схема запчастей John Deere 92DLC - 2 - MAIN HYDRAULIC PUMP AND DRIVE 2160 - MAIN HYDRAULIC SYSTEM 21
FIT
1:1
100%

Артикул

Название

Примечание

Количество

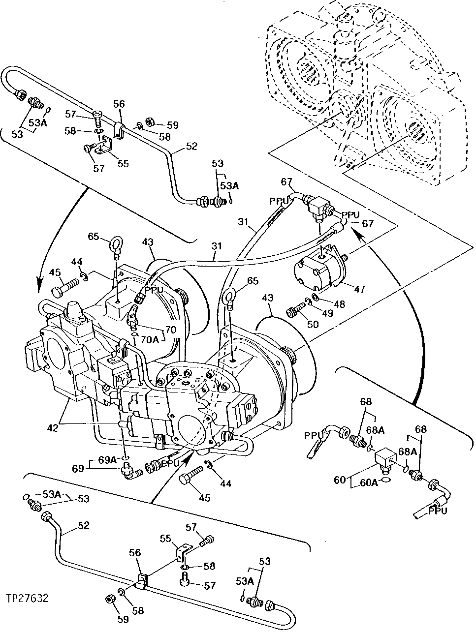
31

AR101376

HYDRAULIC HOSE

(SUB FOR 4245189 ALONG WITH AH89069)

2шт.

42

AT217353

PUMP REMAN

(SUB FOR AT165395) (USE IF AVAILABLE) (IF AT165395 NOT AVAILABLE, SUB AT217353)

2шт.

AT217353

PUMP REMAN

(REMANUFACTURED) (SUB FOR AT131985 AND AT165395) (ALSO APPLIES TO SERIAL NUMBERS 005339, 005340, 005341, 005343, 005345 AND 005346)

2шт.

AT217353

PUMP REMAN

(REMANUFACTURED) (SUB FOR AT165395) (ALSO APPLIES TO SERIAL NUMBERS 005338, 005342 AND 005344)

2шт.

43

4205316

O-RING

(SUB FOR AT131773)

2шт.

44

12M7070

LOCK WASHER

20 MM

8шт.

45

19M8638

CAP SCREW

(SUB FOR AT131546) (SUB FOR 19M8102)

8шт.

47

9217993

PUMP

(SUB FOR TH109457 AND 4181700)

1шт.

48

24M7028

WASHER

10.500 X 20 X 2 MM

2шт.

49

12M7135

LOCK WASHER

10 MM, (SUB FOR 12M6791)

2шт.

50

19M8337

SCREW

M10 X 30, (SUB FOR TH105473)

2шт.

52

3038939

OIL LINE

(SUB FOR AT131633)

2шт.

53

4106892

FITTING

(SUB FOR TH101830)

4шт.

53A

M800650

PACKING

1шт.

55

4205847

ANGLE

(SUB FOR AT131794)

2шт.

56

4000853

CLAMP

(SUB FOR TH104350)

2шт.

57

21M7285

SCREW

M6 X 12

4шт.

58

12M7006

LOCK WASHER

6 MM

4шт.

59

14M7272

NUT

M6

2шт.

60

4191974

ADAPTER FITTING

(SUB FOR TH109459)

1шт.

60A

4506418

O-RING

(SUB FOR U46489)

1шт.

65

4092149

EYEBOLT

(SUB FOR TH101814)

2шт.

67

AH89069

ELBOW FITTING

2шт.

68

4200465

ADAPTER FITTING

(SUB FOR TH108328)

2шт.

68A

M800650

PACKING

1шт.

69

4154670

ELBOW FITTING

(SUB FOR TH100951)

1шт.

69A

M800650

PACKING

1шт.

70

4193826

ELBOW FITTING

(SUB FOR TH106467)

1шт.

70A

M800650

PACKING

1шт.

Выбрано товаров: 29