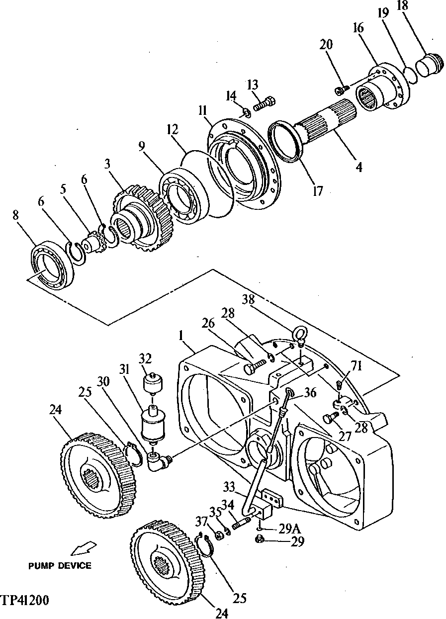
Запчасти John Deere 92DLC 4 - MAIN HYDRAULIC PUMP AND DRIVE 2160 - MAIN HYDRAULIC SYSTEM 21

Схема запчастей John Deere 92DLC - 4 - MAIN HYDRAULIC PUMP AND DRIVE 2160 - MAIN HYDRAULIC SYSTEM 21
FIT
1:1
100%

Артикул

Название

Примечание

Количество

1

0000698

CASE

(SUB FOR AT131562)

1шт.

3

2024550

GEAR

(SUB FOR AT131593)

1шт.

4

3038543

SHAFT

(SUB FOR AT131622)

1шт.

5

3038544

COUPLING

(SUB FOR AT131623)

1шт.

6

40M7201

SNAP RING

(SUB FOR TH111946)

2шт.

8

AT309589

BALL BEARING

(SUB FOR AT132149, 4018095)

1шт.

9

AT309591

BALL BEARING

(SUB FOR AT131679, 4076912)

1шт.

11

2027975

BEARING HOUSING W/O BEARING

(SUB FOR AT131605)

1шт.

12

4203184

O-RING

(SUB FOR AT131749)

1шт.

13

19M7662

CAP SCREW

10шт.

14

12M7066

LOCK WASHER

10 MM

10шт.

16

2027962

SPLINED COUPLING

(SUB FOR AT131604)

1шт.

17

4243721

SEAL

(SUB FOR AT131992)

1шт.

18

4243632

PLUG

(SUB FOR AT131991)

1шт.

19

4140442

O-RING

(SUB FOR AT131708) (SUB FOR TH104430)

1шт.

20

AT131986

BOLT

6шт.

24

2024549

GEAR

(SUB FOR AT131592)

2шт.

25

40M7327

SNAP RING

(SUB FOR AT131689) (SUB FOR 4103152)

2шт.

26

19H2719

CAP SCREW

7/16" X 1-7/8"

2шт.

27

19H3104

CAP SCREW

7/16" X 1-1/4"

6шт.

28

E86824

WASHER

0.480" X 0.787" X 0.138", (SUB FOR AT132557) (SUB FOR M67344)

8шт.

29

15M7036

DRAIN PLUG

(SUB FOR TH109285 OR 0309805) (SUB FOR 4217653, ALONG WITH CH11570)

1шт.

29A

CH11570

O-RING

(USE WITH TH109285, 4216753, 0309805 OR 15M7036)

1шт.

30

15H621

ELBOW FITTING

(SUB FOR TH101810)

1шт.

31

9733054

LINE

(SUB FOR AT132142)

1шт.

32

4351039

BREATHER

(SUB FOR AT131681) (SUB FOR AT171205)

1шт.

33

8045557

OIL TUBE

(SUB FOR AT132584)

1шт.

34

M711050

STUD

(SUB FOR AT132465)

2шт.

35

12M7066

LOCK WASHER

10 MM

2шт.

36

4245803

DIPSTICK

(SUB FOR AT132000)

1шт.

37

14M7274

NUT

M10

2шт.

38

4092149

EYEBOLT

(SUB FOR TH101814)

1шт.

71

94-2023

FITTING PLUG

(SUB FOR AT131532) (SUB FOR TH100667)

1шт.

Выбрано товаров: 33