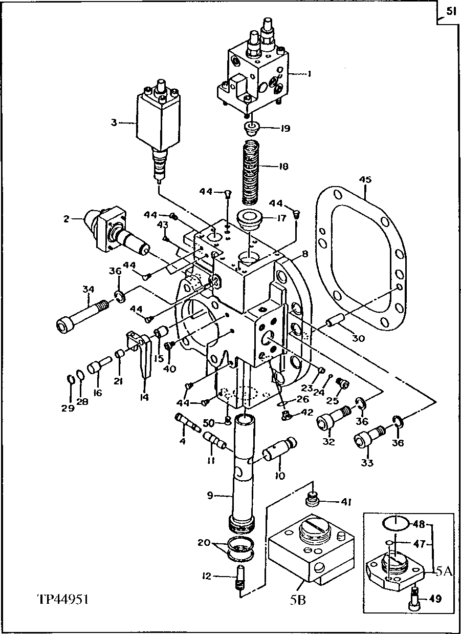
Запчасти John Deere 92DLC 10 - MAIN PUMP REGULATOR 2160 - MAIN HYDRAULIC SYSTEM 21

Схема запчастей John Deere 92DLC - 10 - MAIN PUMP REGULATOR 2160 - MAIN HYDRAULIC SYSTEM 21
FIT
1:1
100%

Артикул

Название

Примечание

Количество

1

4248178

REGULATOR

(SUB FOR AT132419)

1шт.

2

4236048

CONTROL

(SUB FOR AT132408)

1шт.

3

4236049

CONTROL

(SUB FOR AT132409)

1шт.

4

PISTON

(SUB AT165396)

1шт.

5A

4337910

CAP

(SUB FOR AT132395) (SUB FOR AT164273) (ALSO APPLIES TO SERIAL NUMBERS 005339, 005340, 005341, 005343, 005345 AND 005346)

1шт.

5B

4337908

COVER

(SUB FOR AT167093) (ALSO APPLIES TO SERIAL NUMBERS 005338, 005342 AND 005344)

1шт.

8

HOUSING

(SUB AT165396)

1шт.

9

PISTON

(SUB AT165396)

1шт.

10

ROD

(SUB AT165396)

1шт.

11

BUSHING

(SUB AT165396)

1шт.

12

SCREW

(SUB AT165396)

1шт.

14

0349801

HANGER

(SUB FOR AT132189)

1шт.

15

0349802

BUSHING

(SUB FOR AT132190)

1шт.

16

0349803

RETAINER

(SUB FOR AT132191)

1шт.

17

0379301

RETAINER

(SUB FOR AT132394)

1шт.

18

0349805

SPRING

(SUB FOR AT132192)

1шт.

19

0349806

PLATE

(SUB FOR AT132193)

1шт.

20

RING

(SUB AT165396)

2шт.

21

0349807

SPACER

(SUB FOR AT132194)

1шт.

23

0349808

GUIDE

(SUB FOR AT132195)

1шт.

24

0349809

BALL

(SUB FOR AT132196)

1шт.

25

0349810

PLUG

(SUB FOR AT132197)

1шт.

26

M800650

PACKING

1шт.

28

CH14634

O-RING

1шт.

29

0349811

RING

(SUB FOR AT132198)

1шт.

30

0254107

PIN

(SUB FOR TH104704)

2шт.

32

0349812

BOLT

(SUB FOR AT132199)

1шт.

33

M341850

BOLT

(SUB FOR AT132200) (SUB FOR AT131557)

6шт.

34

0349814

BOLT

(SUB FOR AT132201)

1шт.

36

0349815

WASHER

(SUB FOR AT132202)

8шт.

40

0215015

FITTING PLUG

(SUB FOR TH101443)

1шт.

41

TH104732

FITTING PLUG

(SUB FOR 0230126)

1шт.

42

0215221

PIPE PLUG

(SUB FOR TH101486)

1шт.

43

PLUG

(SUB AT165396)

1шт.

44

PLUG

(SUB AT165396)

7шт.

45

0349817

PACKING

(SUB FOR AT132203)

1шт.

47

CH17167

O-RING

(ALSO APPLIES TO SERIAL NUMBERS 005339, 005340, 005341, 005343, 005345 AND 005346)

2шт.

48

A811045R

O-RING

(SUB FOR T74492 OR A811045) (ALSO APPLIES TO SERIAL NUMBERS 005339, 005340, 005341, 005343, 005345 AND 005346)

1шт.

49

19M8041

SCREW

M12 X 35, (SUB FOR AT127279) (ALSO APPLIES TO SERIAL NUMBERS 005339, 005340, 005341, 005343, 005345 AND 005346)

4шт.

50

PLUG

(SUB AT165396)

1шт.

51

4338135

REGULATOR

(SUB FOR AT132420) (SUB FOR AT165396) (ALSO APPLIES TO SERIAL NUMBERS 005339, 005340, 005341, 005343, 005345 AND 005346)

1шт.

4338135

REGULATOR

(SUB FOR AT165396) (ALSO APPLIES TO SERIAL NUMBERS 005338, 005342 AND 005344)

1шт.

Выбрано товаров: 42