Запчасти John Deere 92DLC 28 - ANTI-DRIFT VALVE INSTALLATION 2160 - MAIN HYDRAULIC SYSTEM 21

Схема запчастей John Deere 92DLC - 28 - ANTI-DRIFT VALVE INSTALLATION 2160 - MAIN HYDRAULIC SYSTEM 21
FIT
1:1
100%

Артикул

Название

Примечание

Количество

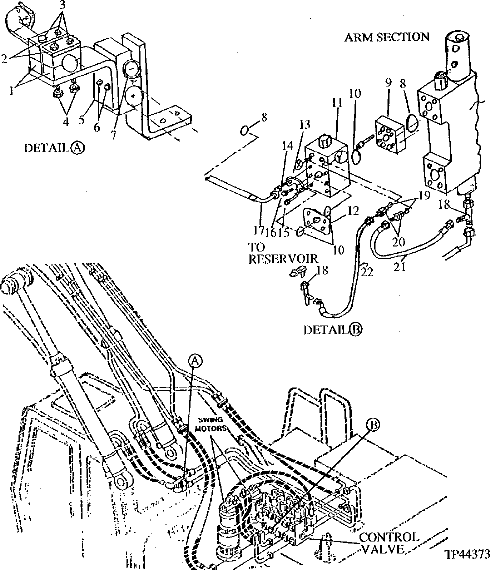
1

AT144117

CLAMP

2шт.

2

U16466

STRAP

2шт.

3

19M8093

CAP SCREW

M10 X 100

4шт.

4

14M7274

NUT

M10

4шт.

5

AT164428

BRACKET

1шт.

6

19M7414

CAP SCREW

M12 X 90

2шт.

7

28H3054

BUSHING

1.278" X 1.660" X 2-15/32"

1шт.

8

T72216

O-RING

37.694 X 3.531 MM (1-31/64" X 0.139")

2шт.

9

AT164426

ADAPTER FITTING

1шт.

10

T78313

O-RING

32.920 X 3.530 MM (1.296" X 0.139")

3шт.

11

AT152186

HYD ACTUATED CONTROL VALVE

1шт.

12

T145378

FITTING

1шт.

13

T107068

FLANGE FITTING

2шт.

14

19M7493

CAP SCREW

M12 X 40

2шт.

15

19M7349

CAP SCREW

M12 X 95

2шт.

16

19M7914

CAP SCREW

M12 X 120

2шт.

17

AT164429

HYDRAULIC HOSE - FABRICATE

1-1/4" X 1 800 MM (70-3/4") X 1"

1шт.

18

AT36921

TEE FITTING

2шт.

19

R26448

O-RING

11.887 X 1.981 MM (0.468" X 5/64")

2шт.

20

R27212

FITTING

2шт.

21

AT68407

HYDRAULIC HOSE - FABRICATE

9/16" X 1 000 MM (39-1/4") X 9/16"

1шт.

22

AT69806

HYDRAULIC HOSE - FABRICATE

9/16" X 1 905 MM (75") X 9/16"

1шт.

Выбрано товаров: 22