Запчасти John Deere 92DLC 30 - ANTI-DRIFT VALVE INSTALLATION 2160 - MAIN HYDRAULIC SYSTEM 21

Схема запчастей John Deere 92DLC - 30 - ANTI-DRIFT VALVE INSTALLATION 2160 - MAIN HYDRAULIC SYSTEM 21
FIT
1:1
100%

Артикул

Название

Примечание

Количество

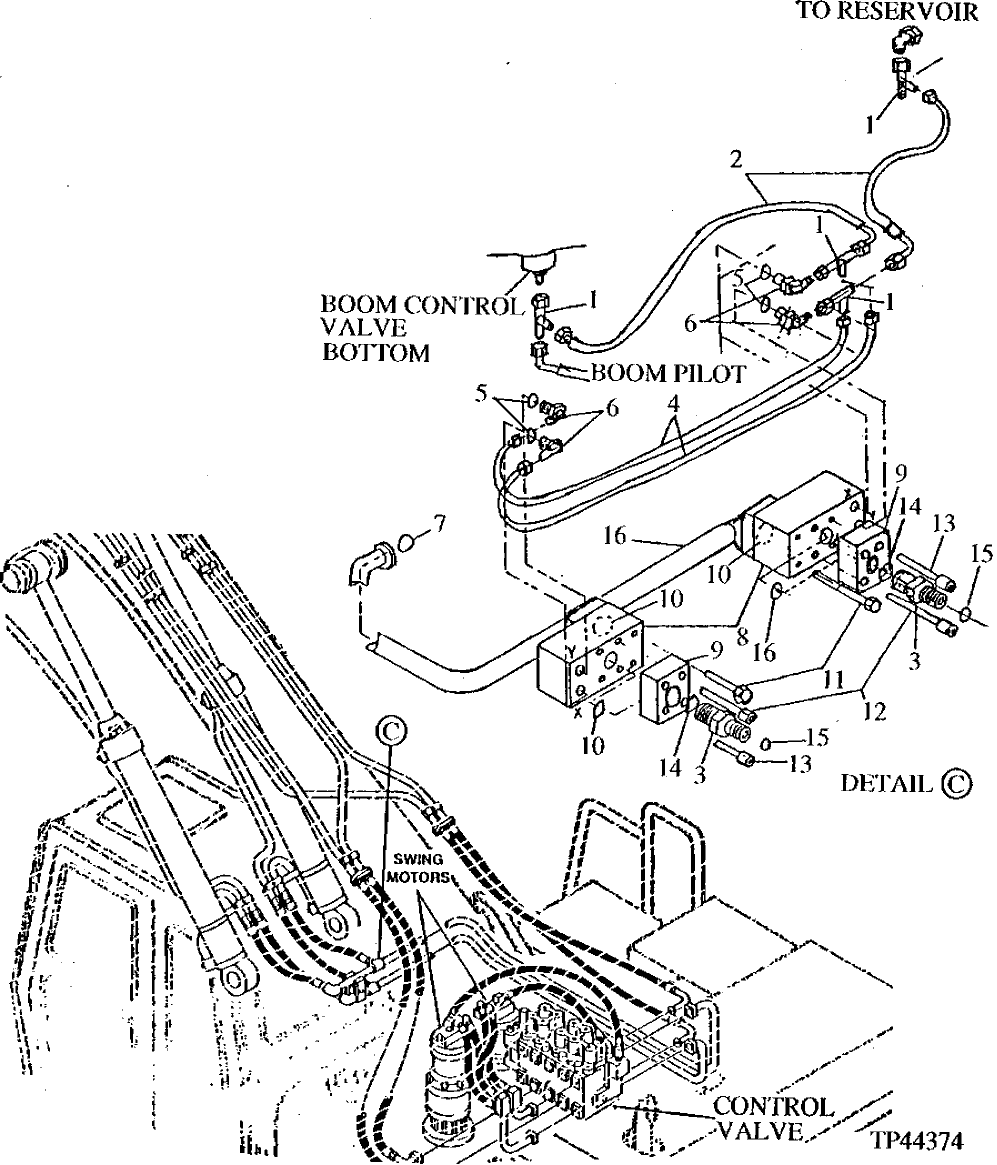
1

AT36921

TEE FITTING

1шт.

2

AT69806

HYDRAULIC HOSE - FABRICATE

9/16" X 1 905 MM (75") X 9/16"

1шт.

3

38H1164

ADAPTER FITTING

2шт.

4

AT68407

HYDRAULIC HOSE - FABRICATE

9/16" X 1 000 MM (39-1/4") X 9/16"

2шт.

5

R26448

O-RING

11.887 X 1.981 MM (0.468" X 5/64")

4шт.

6

AT35121

ELBOW FITTING

4шт.

7

T72216

O-RING

37.694 X 3.531 MM (1-31/64" X 0.139")

1шт.

8

AT152186

HYD ACTUATED CONTROL VALVE

2шт.

9

AT164427

ADAPTER FITTING

2шт.

10

T78313

O-RING

32.920 X 3.530 MM (1.296" X 0.139")

4шт.

11

19M7349

CAP SCREW

M12 X 95

4шт.

12

19M8519

SCREW

M12 X 120

4шт.

13

19M8395

SCREW

M12 X 40

4шт.

14

R29936

O-RING

29.743 X 2.946 MM (1.171" X 0.116")

2шт.

15

T76938

O-RING

23.520 X 1.780 MM (0.926" X 0.070")

2шт.

16

AT164425

OIL LINE

1шт.

Выбрано товаров: 16