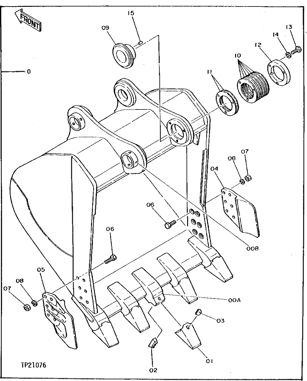
Запчасти John Deere 92DLC 4 - BUCKET 3302 - EXCAVATOR 33

Схема запчастей John Deere 92DLC - 4 - BUCKET 3302 - EXCAVATOR 33
FIT
1:1
100%

Артикул

Название

Примечание

Количество

0

EXCAVATOR BUCKET

( AT132672 NO LONGER AVAILABLE) (1-3/4 CUBIC YARD) (FOR USE WITH (16' 1") ARM)

1шт.

0A

4326645

BUCKET TOOTH ADAPTER

(SUB FOR 4195699) (SUB FOR TH111281)

5шт.

0B

TH103198

BUSHING

2шт.

1

T40S

TOOTH

(SUB FOR TH109818 OR T33187)

5шт.

2

T40PN

PIN FASTENER

(SUB FOR T33188)

5шт.

3

T3540LK

LOCK

(SUB FOR T33146)

5шт.

4

2021232

CUTTING EDGE

(SUB FOR TH109819)

1шт.

5

2021233

CUTTING EDGE

(SUB FOR TH109820)

1шт.

6

19M9179

CAP SCREW

M22 X 65, (SUB FOR TH102456 OR J932265)

12шт.

7

J951022

NUT

(SUB FOR TH102457)

12шт.

8

12H245

LOCK WASHER

7/8", (SUB FOR 12H352)

12шт.

9

4143522

BUSHING

(SUB FOR TH103234)

1шт.

10

4143524

WASHER

(SUB FOR TH103235)

6шт.

11

4143525

SHIM

(SUB FOR TH103236)

2шт.

12

TH103237

PLATE

1шт.

13

19M7489

CAP SCREW

M16 X 45

3шт.

14

12H294

LOCK WASHER

5/8"

3шт.

15

4179110

PIN

(SUB FOR TH103520)

1шт.

Выбрано товаров: 18