Запчасти John Deere 92DLC 12 - BUCKET 3302 - EXCAVATOR 33

Схема запчастей John Deere 92DLC - 12 - BUCKET 3302 - EXCAVATOR 33
FIT
1:1
100%

Артикул

Название

Примечание

Количество

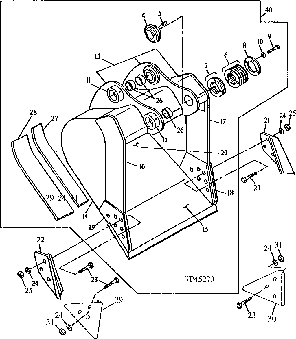
4

3038818

BOSS

(SUB FOR AT131625)

1шт.

5

4179110

PIN

(SUB FOR TH103520)

2шт.

6

AT131816

WASHER

(1 MM)

7шт.

7

4207194

SHIM

(SUB FOR AT131815) (.5 MM)

2шт.

8

AT131814

PLATE

1шт.

9

19H2706

CAP SCREW

5/8" X 2"

4шт.

10

12H294

LOCK WASHER

5/8"

4шт.

11

AT128461

BUSHING

2шт.

13

C606320

PIVOT

(F) (BUCKET EAR BLANK ASSEMBLY)

1шт.

14

300324

PLATE

(F) (RIGHT AND LEFT SIDE)

2шт.

15

AT131098

CUTTING EDGE

(CUT TO LENGTH)

1шт.

16

300327

VERTICAL CUTTER

(F) (UPPER RIGHT SIDE CUTTER)

1шт.

17

300328

VERTICAL CUTTER

(F) (UPPER LEFT SIDE CUTTER)

1шт.

18

300326

VERTICAL CUTTER

(F) (LEFT SIDE CUTTER INSERT)

1шт.

19

300325

VERTICAL CUTTER

(F) (RIGHT SIDE CUTTER INSERT)

1шт.

20

600190

MOLDBOARD

(F) (36 INCH)

1шт.

600192

MOLDBOARD

(F) (42 INCH)

1шт.

600194

MOLDBOARD

(F) (48 INCH)

1шт.

600195

MOLDBOARD

(F) (54 INCH)

1шт.

600196

MOLDBOARD

(F) (60 INCH)

1шт.

608234

MOLDBOARD

(F) (72 INCH)

1шт.

21

CUTTING EDGE

(K) (SUB AT131085)

1шт.

22

CUTTING EDGE

(K) (SUB AT131085)

1шт.

23

09H1771

BOLT

(K) 7/8" X 3"

6шт.

24

12H245

LOCK WASHER

(K) 7/8", (K2)

6шт.

25

14H1077

NUT

(K) 7/8", (K2)

6шт.

26

4205109

BUSHING

(SUB FOR AT131768)

3шт.

27

300645

BAR

(F) (INNER WEAR)

1шт.

28

307451

BAR

(F) (OUTER WEAR)

1шт.

29

SHROUD

(K2) (WEAR SHROUD)

1шт.

30

SHROUD

(K2) (WEAR SHROUD)

1шт.

31

14H1044

NUT

22.225 MM (7/8") (K2)

6шт.

40

EXCAVATOR BUCKET

(SUB AT183645) (SUB FOR AT131069 OR AT131189) (36 INCH - 1.96 CUBIC YARD) (AVAILABLE TOOTH ASSEMBLIES ON SEPARATE PAGE) ( AT163688 NO LONGER AVAILABLE)

1шт.

EXCAVATOR BUCKET

(SUB AT183646) (SUB FOR AT131070 OR AT131190) (42 INCH - 2.32 CUBIC YARD) (AVAILABLE TOOTH ASSEMBLIES ON SEPARATE PAGE) ( AT163689 NO LONGER AVAILABLE)

1шт.

EXCAVATOR BUCKET

(SUB AT183647) (SUB FOR AT131071 OR AT131191) (48 INCH - 2.69 CUBIC YARD) (AVAILABLE TOOTH ASSEMBLIES ON SEPARATE PAGE) ( AT163690 NO LONGER AVAILABLE)

1шт.

EXCAVATOR BUCKET

(SUB AT183648) (SUB FOR AT131072 OR AT131192) (54 INCH - 3.06 CUBIC YARD) (AVAILABLE TOOTH ASSEMBLIES ON SEPARATE PAGE) ( AT163691 NO LONGER AVAILABLE)

1шт.

EXCAVATOR BUCKET

(SUB AT183649) (SUB FOR AT131073 OR AT131193) (60 INCH - 3.43 CUBIC YARD) (AVAILABLE TOOTH ASSEMBLIES ON SEPARATE PAGE) ( AT163692 NO LONGER AVAILABLE)

1шт.

EXCAVATOR BUCKET

(SUB AT183650) (66 INCH - 3.80 CUBIC YARD) (AVAILABLE TOOTH ASSEMBLIES ON SEPARATE PAGE) ( AT167303 NO LONGER AVAILABLE)

1шт.

EXCAVATOR BUCKET

(SUB AT183651) (SUB FOR AT131074 OR AT131194) (72 INCH - 4.18 CUBIC YARD) (AVAILABLE TOOTH ASSEMBLIES ON SEPARATE PAGE) ( AT163693 NO LONGER AVAILABLE)

1шт.

Выбрано товаров: 39