Запчасти John Deere 92DLC 6 - MAIN CONTROL VALVE 3360 - EXCAVATOR 33

Схема запчастей John Deere 92DLC - 6 - MAIN CONTROL VALVE 3360 - EXCAVATOR 33
FIT
1:1
100%

Артикул

Название

Примечание

Количество

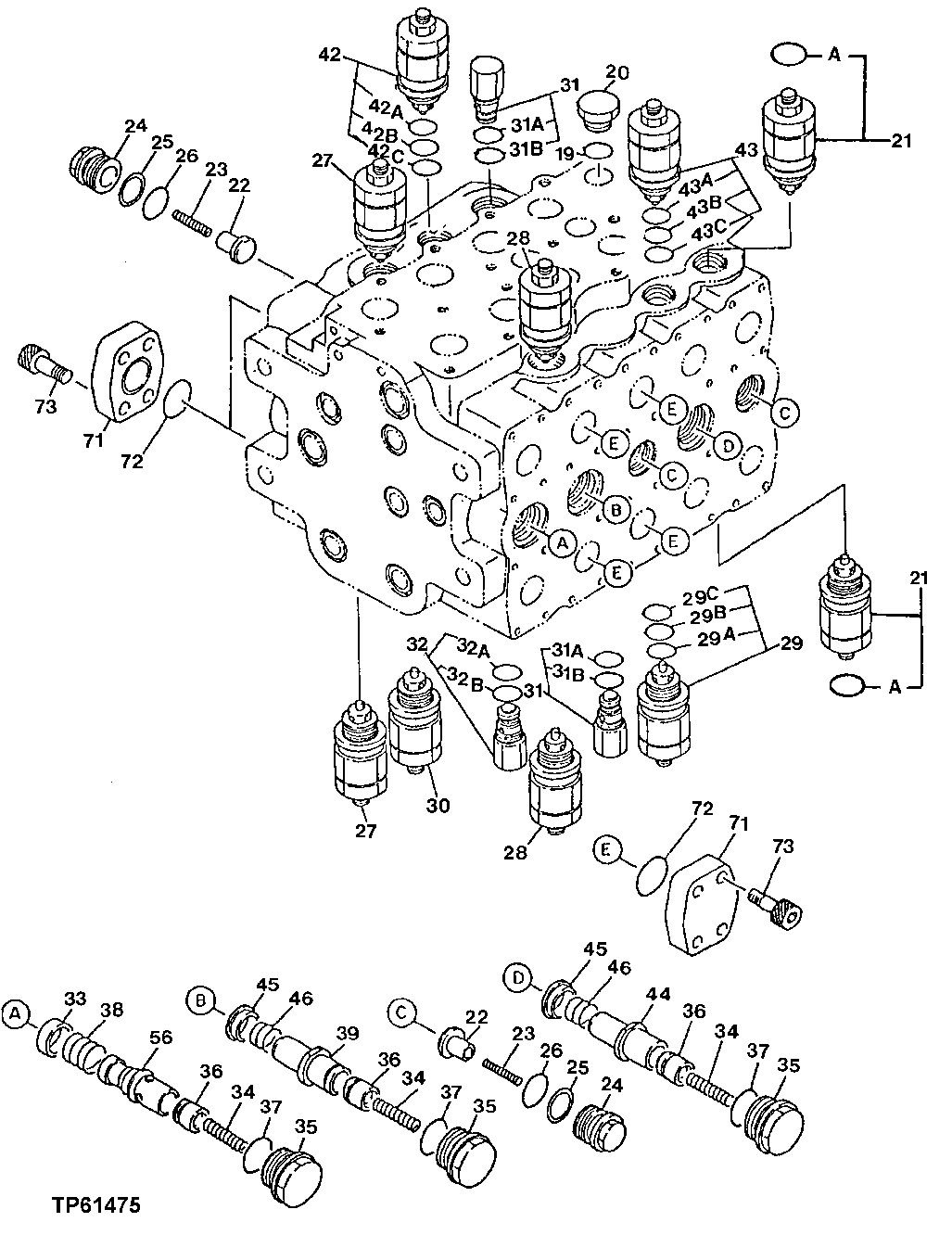
19

AT318035

O-RING

(SUB FOR 4506424, TH100055)

1шт.

20

0412310

FITTING PLUG

(SUB FOR TH109981) (SUB FOR AT154037)

1шт.

21

4326630

PRESSURE RELIEF VALVE

SWING, (SUB FOR AT132415) (SUB FOR AT165251)

2шт.

21A

R394R

O-RING

(SUB FOR AT185415 OR 4154237)

1шт.

22

0488402

POPPET

(SUB FOR AT132338, ALONG WITH 0488403)

3шт.

23

4265702

SPRING

(SUB FOR AT132160) (SUB FOR AT136408)

3шт.

24

0353213

DRAIN PLUG

(SUB FOR AT132341)

3шт.

0488403

PLUG

(SUB FOR AT130929, ALONG WITH 0488402)

3шт.

25

0353211

BACK-UP RING

(SUB FOR AT132339)

3шт.

26

R29463

O-RING

31.344 X 3.531 MM (1-15/64" X 0.139") (SUB FOR AT132340)

3шт.

985098

O-RING

31.700 X 3.500 MM (1.248" X 0.138") (SUB FOR TH102528)

3шт.

27

4296985

PRESSURE RELIEF VALVE

(SUB FOR AT132414) (BOOM) (USE IF AVAILABLE)

2шт.

4296985

PRESSURE RELIEF VALVE

(SUB FOR AT132414) (SUB FOR AT131480) (BOOM)

2шт.

28

4296985

PRESSURE RELIEF VALVE

(SUB FOR AT132414) (AUXILIARY) (USE IF AVAILABLE)

2шт.

4296985

PRESSURE RELIEF VALVE

(SUB FOR AT132414) (SUB FOR AT131480) (AUXILIARY)

2шт.

29

4296985

PRESSURE RELIEF VALVE

(SUB FOR AT132414) (ARM) (USE IF AVAILABLE)

1шт.

4296985

PRESSURE RELIEF VALVE

(SUB FOR AT132414) (SUB FOR AT131480) (ARM)

1шт.

4296986

RELIEF VALVE

(SUB FOR AT131483) (SUB FOR AT131481) (ARM)

1шт.

29A

R29936

O-RING

29.743 X 2.946 MM (1.171" X 0.116") (SUB FOR AT127982)

1шт.

29B

4288115

BACK-UP RING

(SUB FOR AT131478)

1шт.

29C

4051360

O-RING

(SUB FOR AT131479)

1шт.

30

4296985

PRESSURE RELIEF VALVE

(SUB FOR AT132414) (BUCKET)

1шт.

31

4359874

PRESSURE RELIEF VALVE

(SUB FOR TH102740) (SUB FOR AT175059) (ARM)

2шт.

31A

U12547

O-RING

23.470 X 2.946 MM (0.924" X 0.116")

1шт.

31B

4506418

O-RING

(SUB FOR U46489)

1шт.

4033725

BACK-UP RING

(SUB FOR TH103576) (NOT ILLUSTRATED)

1шт.

32

4359874

PRESSURE RELIEF VALVE

(SUB FOR TH102740) (SUB FOR AT175059) (BOOM)

1шт.

32A

U12547

O-RING

23.470 X 2.946 MM (0.924" X 0.116")

1шт.

32B

4506418

O-RING

(SUB FOR U46489)

1шт.

4033725

BACK-UP RING

(SUB FOR TH103576) (NOT ILLUSTRATED)

1шт.

33

0353223

POPPET

(SUB FOR AT132351)

1шт.

0399504

POPPET

(SUB FOR AT130936)

1шт.

34

4040288

SPRING

(SUB FOR AT132398)

3шт.

35

0353219

DRAIN PLUG

(SUB FOR AT132347)

3шт.

0488406

FITTING PLUG

(SUB FOR AT186340) (SUB FOR AT130935, ALONG WITH 4384874 AND 0488405)

3шт.

36

0488405

POPPET

(SUB FOR AT132397, THIS APPLICATION) (ALSO ORDER 4384874 AND 0488406) (SUB FOR AT186339)

3шт.

Выбрано товаров: 36