Запчасти John Deere 92DLC 38 - SWING FLOW REDUCTION VALVE 3360 - EXCAVATOR 33

Схема запчастей John Deere 92DLC - 38 - SWING FLOW REDUCTION VALVE 3360 - EXCAVATOR 33
FIT
1:1
100%

Артикул

Название

Примечание

Количество

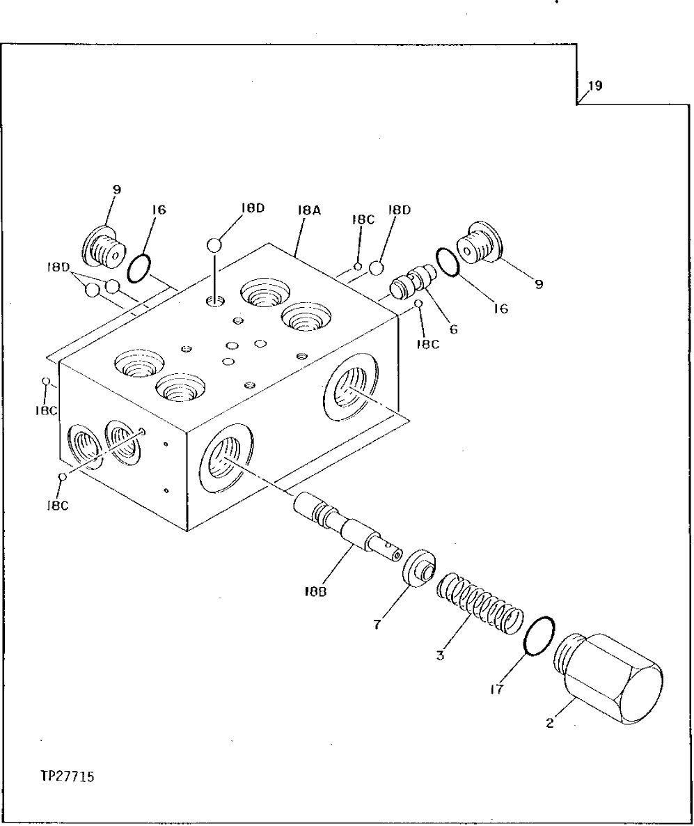
2

0352601

PLUG

(SUB FOR AT132276)

2шт.

3

0352602

SPRING

(SUB FOR AT132277)

2шт.

6

0252203

SPOOL

(SUB FOR AT132172)

1шт.

7

0352603

RETAINER

(SUB FOR AT132278)

2шт.

9

TH0314205

PIPE PLUG

(SUB FOR AT120949)

3шт.

16

M800650

PACKING

3шт.

17

4506418

O-RING

(SUB FOR U46489)

2шт.

18A

HOUSING

(SUB AT131839)

1шт.

18B

PLUNGER

(SUB AT131839)

2шт.

18C

BALL

(SUB AT131839)

4шт.

18D

BALL

(SUB AT131839)

4шт.

19

4207493

FLOW CONTROL HYD. VALVE

(SUB FOR AT131839)

1шт.

Выбрано товаров: 12