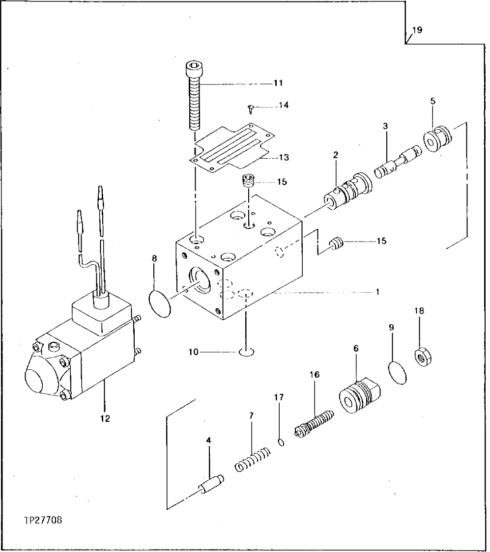
Запчасти John Deere 92DLC 40 - SWING FLOW REDUCTION VALVE SOLENOID 3360 - EXCAVATOR 33

Схема запчастей John Deere 92DLC - 40 - SWING FLOW REDUCTION VALVE SOLENOID 3360 - EXCAVATOR 33
FIT
1:1
100%

Артикул

Название

Примечание

Количество

1

HOUSING

(SUB AT132406)

1шт.

2

SLEEVE

(SUB AT132406)

1шт.

3

SPOOL

(SUB AT132406)

1шт.

4

PISTON

(SUB AT132406)

1шт.

5

BUSHING

(SUB AT132406)

1шт.

6

SCREW

(SUB AT132406)

1шт.

7

SPRING

(SUB AT132406)

1шт.

8

T77932

O-RING

(SUB FOR TH104841, THIS APPLICATION)

1шт.

9

CH10568

PACKING

(SUB FOR TH102668)

1шт.

10

0221807

O-RING

(SUB FOR AT132165)

3шт.

11

AT132156

BOLT

4шт.

12

0320101

SOLENOID VALVE

(SUB FOR AT132180)

1шт.

13

IDENTIFICATION PLATE

(SUB AT132406)

1шт.

14

SCREW

(SUB AT132406)

4шт.

15

0103302

PLUG

(SUB FOR AT132158)

2шт.

16

SPRING

(SUB AT132406)

1шт.

17

O-RING

(SUB AT132406)

1шт.

18

NUT

(SUB AT132406)

1шт.

19

4211020

SOLENOID VALVE

(SUB FOR AT132406)

1шт.

Выбрано товаров: 19