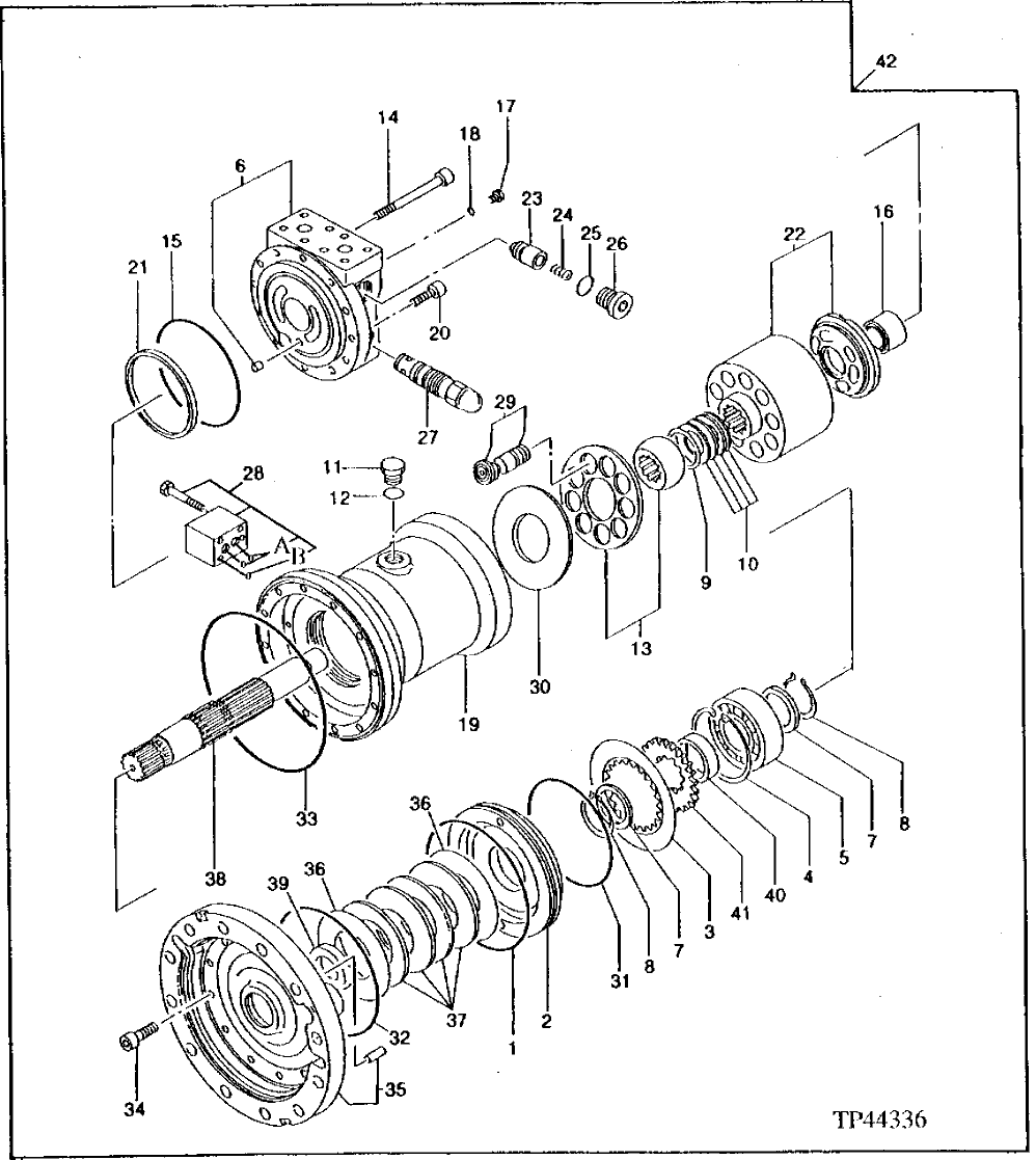
Запчасти John Deere 92DLC 6 - SWING MOTOR 4360 - SWING, ROTATION OR PIVOTING SYSTEM 43

Схема запчастей John Deere 92DLC - 6 - SWING MOTOR 4360 - SWING, ROTATION OR PIVOTING SYSTEM 43
FIT
1:1
100%

Артикул

Название

Примечание

Количество

1

4S00614

O-RING

(SUB FOR AT132162 AND 4323631)

1шт.

2

0353319

PISTON

(SUB FOR AT132387)

1шт.

3

0353324

PLATE

(SUB FOR AT132392)

1шт.

4

Z973069

SNAP RING

(SUB FOR AT132424)

1шт.

5

AT132384

CYLINDRICAL ROLLER BEARING

1шт.

6

CASE

1шт.

7

0251906

SPACER

(SUB FOR AT132171)

2шт.

8

40M7166

SNAP RING

(SUB FOR TH101799)

2шт.

9

0353310

SHIM

(SUB FOR AT132378)

1шт.

10

0353309

SPRING

(SUB FOR AT132377)

1шт.

11

0195128

FITTING PLUG

(SUB FOR TH104562)

1шт.

12

4506418

O-RING

(SUB FOR U46489)

1шт.

13

0353303

PLATE

(SUB FOR AT132371)

1шт.

14

19M8336

SCREW

M10 X 100

5шт.

15

4S00124

O-RING

(SUB FOR AT132157)

1шт.

16

0353317

NEEDLE BEARING

(SUB FOR AT132385)

1шт.

17

0236014

FITTING PLUG

(SUB FOR TH102650)

2шт.

18

M800650

PACKING

2шт.

19

CASE

1шт.

20

19M8338

SCREW

M10 X 40

7шт.

21

0353312

RING

(SUB FOR AT132380)

1шт.

22

0353302

CYLINDER

(SUB FOR AT132370)

1шт.

23

0353314

PLUNGER

(SUB FOR AT132382)

2шт.

24

0353315

SPRING

(SUB FOR AT132383)

2шт.

25

AT264347

O-RING

(SUB FOR TH100136, 4506428)

2шт.

26

15M7027

DRAIN PLUG

(SUB FOR TH102651)

2шт.

27

0353306

PRESSURE RELIEF VALVE

(SUB FOR AT132374)

2шт.

28

0308606

FLOW CONTROL HYD. VALVE

(SUB FOR TH109933)

1шт.

28A

CH10568

PACKING

(SUB FOR T150996)

2шт.

28B

4506406

O-RING

5.800 X 1.900 MM (0.228" X 0.075") (SUB FOR T150997) (SUB FOR TH104587)

1шт.

29

0353301

PISTON

(SUB FOR AT132369)

9шт.

30

0353311

PLATE

(SUB FOR AT132379)

1шт.

31

4S00218

O-RING

(SUB FOR AT132389)

1шт.

32

4S00614

O-RING

(SUB FOR AT132162 AND 4323631)

1шт.

33

0121614

O-RING

(SUB FOR AT132161)

1шт.

34

19M8448

SCREW

M12 X 35

12шт.

35

0353305

COVER

(SUB FOR AT132373)

1шт.

36

0353323

WASHER

(SUB FOR AT132391)

2шт.

37

0353322

SPRING

(SUB FOR AT132390)

4шт.

38

0353307

SHAFT

(SUB FOR AT132375)

1шт.

39

0353318

SEAL

(SUB FOR AT132386)

1шт.

40

0353308

SPACER

(SUB FOR AT132376)

1шт.

41

0353320

JOINTER

(SUB FOR AT132388)

1шт.

42

4206795

HYDRAULIC MOTOR

(SUB FOR AT131803)

1шт.

HYDRAULIC MOTOR

REMAN, (SUB FOR AT217352)

1шт.

Выбрано товаров: 45