Запчасти John Deere 92DLC 4 - BRAKE VALVE 260 - AXLES AND SUSPENSION SYSEMS 2

Схема запчастей John Deere 92DLC - 4 - BRAKE VALVE 260 - AXLES AND SUSPENSION SYSEMS 2
FIT
1:1
100%

Артикул

Название

Примечание

Количество

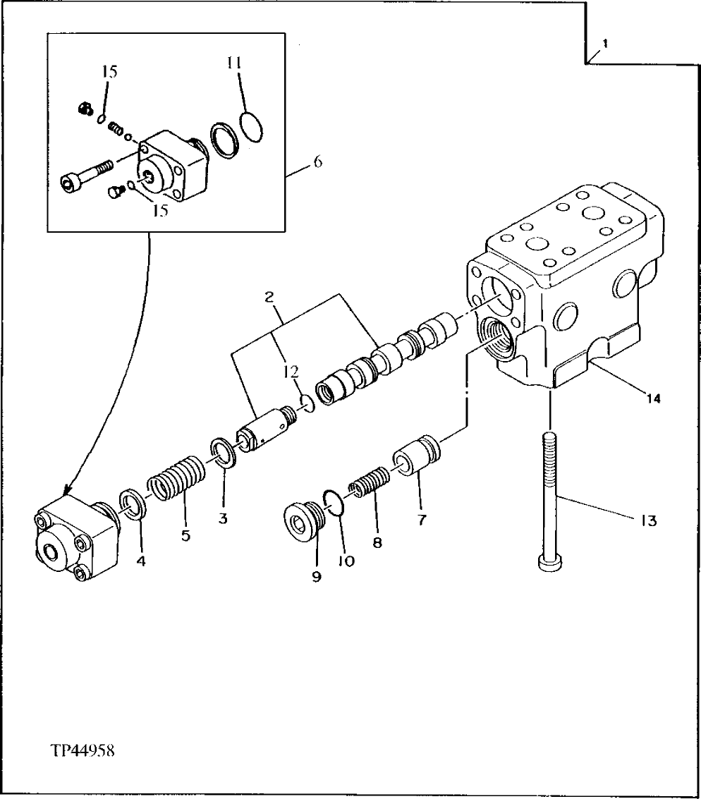
1

4299637

FLOW CONTROL HYD. VALVE

(SUB FOR AT131953) (SUB FOR AT167498)

1шт.

2

PLUNGER

(SUB AT167498)

1шт.

3

0163601

PLATE

(SUB FOR AT132163)

2шт.

4

0352301

PLATE

(SUB FOR AT132266) (USE WITH AT131953 VALVE)

2шт.

0417801

PLATE

(SUB FOR AT173114) (USE WITH AT167498 VALVE)

2шт.

5

0352302

SPRING

(SUB FOR AT132267) (USE WITH AT131953 VALVE)

2шт.

0420002

SPRING

(SUB FOR AT173115) (SUB FOR AT201568) (USE WITH AT167498 VALVE)

2шт.

6

0352303

CAP

(SUB FOR AT132268)

2шт.

7

0352304

CHECK VALVE

(SUB FOR AT132269)

2шт.

8

0352305

SPRING

(SUB FOR AT132270)

2шт.

9

0352306

PLUG

(SUB FOR AT132271)

2шт.

10

TH101926

O-RING

2шт.

11

A811040

O-RING

39.400 X 3.100 MM (1.551" X 0.122") (SUB FOR TH102992)

1шт.

12

RING

1шт.

13

M341204

BOLT

(SUB FOR AT132272)

8шт.

14

HOUSING

(SUB AT167498)

1шт.

15

4506408

O-RING

7.800 X 1.900 MM (0.307" X 0.075") (SUB FOR TH101490)

2шт.

Выбрано товаров: 17