Запчасти John Deere 92DLC 10 - FUEL TRANSFER PUMP 413 - ENGINE 4

Схема запчастей John Deere 92DLC - 10 - FUEL TRANSFER PUMP 413 - ENGINE 4
FIT
1:1
100%

Артикул

Название

Примечание

Количество

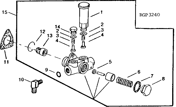
1

RE65265

HAND PRIMER

(SUB FOR R70135 OR RE48048)

1шт.

2

R54025

WASHER

2шт.

3

R54023

SPRING

2шт.

4

R54022

VALVE

2шт.

5

R54013

O-RING

1шт.

6

R75272

SPRING

1шт.

7

R64861

WASHER

1шт.

8

R54015

DRAIN PLUG

1шт.

9

R26448

O-RING

(SUB FOR R78079, APPL)

2шт.

10

AR104674

ELBOW FITTING

(INLET)

1шт.

RE10258

ELBOW FITTING

(OUTLET) (SUB FOR RE10259)

1шт.

11

R520574

GASKET

(SUB FOR R67879)

1шт.

12

R54021

SNAP RING

1шт.

13

AR73863

TAPPET

1шт.

14

R54024

FITTING PLUG

1шт.

15

RE35142

FUEL PUMP

(USE WITH RE29146 OR RE36078)

1шт.

Выбрано товаров: 16