Запчасти John Deere 92ELC 87 - Muffler 0530 External Exhaust Systems

Схема запчастей John Deere 92ELC - 87 - Muffler 0530 External Exhaust Systems
FIT
1:1
100%

Артикул

Название

Примечание

Количество

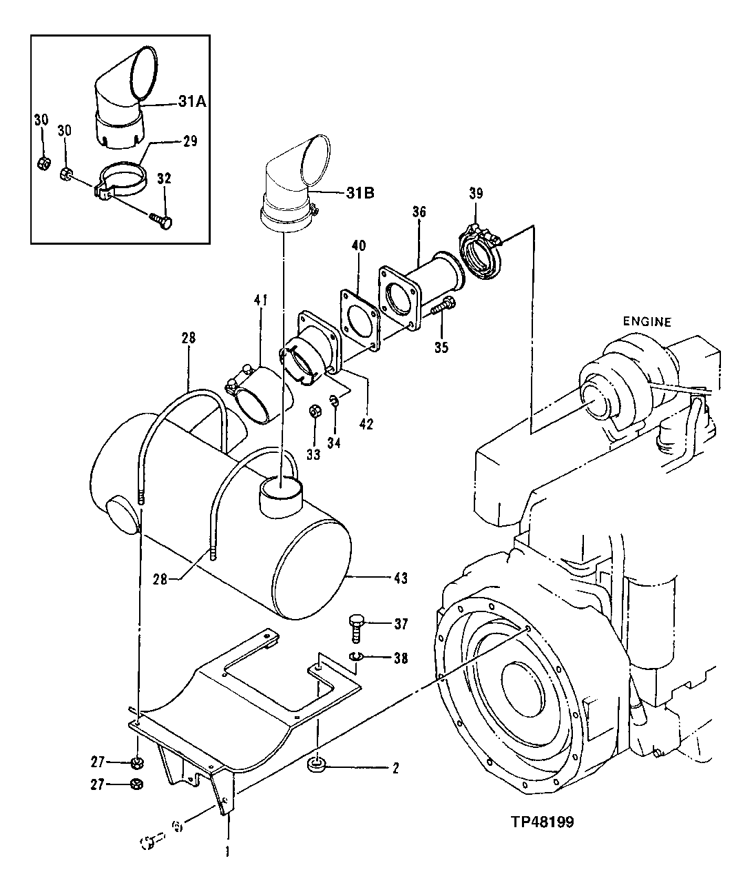
1

7021050

Bracket

(SUB FOR AT132059)

1шт.

2

4339771

Washer

(SUB FOR AT202157)

1шт.

27

14M7274

Nut

M10

8шт.

28

4244013

U-Bolt

(SUB FOR AT131995)

2шт.

29

4034264

Clamp

NLA, ORDER AT132478

1шт.

AT132478

Clamp

NLA, ORDER T121190, 14M7296, 19M7809

1шт.

T121190

Clamp

1шт.

14M7296

Flange Nut

M10

1шт.

19M7809

Screw

M10 X 70

1шт.

30

14M7274

Nut

M10 Use With Original Band

2шт.

14M7296

Flange Nut

M10 Use With Replacement Band

2шт.

31A

8039211

Line

(SUB FOR AT132576)

1шт.

31B

8088326

Exhaust Pipe

(SUB FOR 4321934)

1шт.

32

19M7658

Cap Screw

M10 X 50 Use With Original Band

1шт.

19M7809

Screw

M10 X 70 Use With Replacement Band

1шт.

33

14M7275

Nut

M12

4шт.

34

12H301

Lock Washer

1/2"

4шт.

35

19M7496

Cap Screw

M12 X 45

4шт.

36

8059214

Exhaust Pipe

(SUB FOR AT201911)

1шт.

8068956

Exhaust Pipe

(SUB FOR AT178126 ) (SUB FOR AT217165)

1шт.

37

19H2994

Cap Screw

5/8" X 1-1/2"

2шт.

38

12H294

Lock Washer

5/8"

2шт.

39

RE37656

Clamp

1шт.

RE40048

Clamp

1шт.

40

T151881

Gasket

1шт.

41

4246987

Clamp

(SUB FOR AT132002)

1шт.

42

8046425

Exhaust Pipe

(SUB FOR AT132585)

1шт.

43

4336822

Muffler

(SUB FOR AT201809)

1шт.

4377043

Muffler

(SUB FOR AT178127)

1шт.

Выбрано товаров: 29