Запчасти John Deere 92ELC 106 - ELECTRIC PARTS 1674 Wiring Harness And Switches

Схема запчастей John Deere 92ELC - 106 - ELECTRIC PARTS 1674 Wiring Harness And Switches
FIT
1:1
100%

Артикул

Название

Примечание

Количество

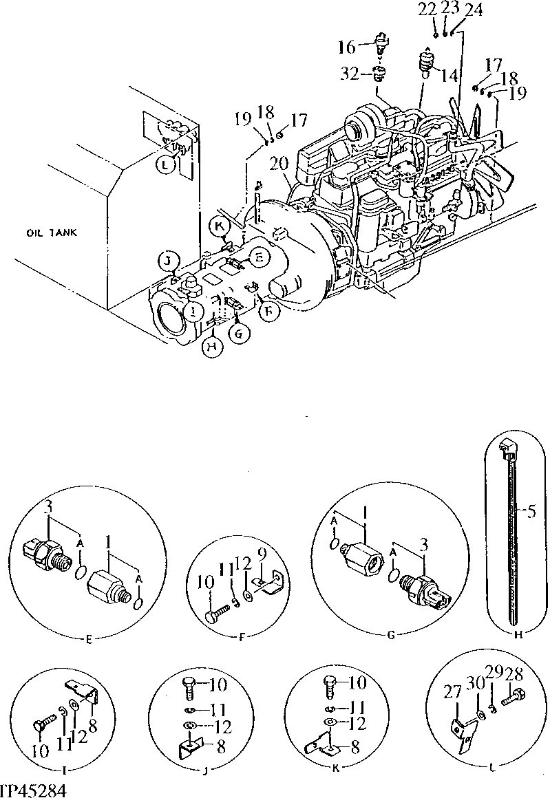
1

4269537

Reducer

(SUB FOR AT201728)

2шт.

Reducer

(NO LONGER REQUIRED)

2шт.

1A

M800650

Packing

1шт.

Packing

(NO LONGER REQUIRED)

1шт.

3

4436271

Sensor

(SUB FOR AT202390, AT175981 OR 4355012)(PRESSURE SENSOR)

2шт.

3A

TH102560

O-Ring

15.800 X 2.400 mm

1шт.

5

H77698

Tie Band

1шт.

8

4252767

Bracket

(SUB FOR AT154206)

3шт.

9

4336874

Bracket

(SUB FOR AT202391)

1шт.

10

19M7923

Cap Screw

M6 X 12

4шт.

11

12M7006

Lock Washer

6 mm

4шт.

12

24M7054

Washer

6.400 X 12 X 1.600 mm

4шт.

14

4283926

Sender

(SUB FOR AT147302)(WATER TEMPERATURE)

1шт.

16

4257115

Switch

(SUB FOR AT202392)(ENGINE THERMO)

1шт.

4382073

Switch

(SUB FOR AT178166)(ENGINE THERMO)

1шт.

17

14M7274

Nut

M10

2шт.

18

12H301

Lock Washer

1/2"

2шт.

19

24M7028

Washer

10.500 X 20 X 2 mm

2шт.

20

4338518

Jumper

(SUB FOR AT201816)

1шт.

22

14M7297

Nut

M5

1шт.

23

12M7064

Lock Washer

5 mm

1шт.

24

24M7027

Washer

5.300 X 10 X 1 mm

1шт.

27

4252767

Bracket

(SUB FOR AT154206)

3шт.

28

19M7923

Cap Screw

M6 X 12

3шт.

29

12M7006

Lock Washer

6 mm

3шт.

30

24M7054

Washer

6.400 X 12 X 1.600 mm

3шт.

32

4087499

Adapter Fitting

(SUB FOR AT202394)

1шт.

Выбрано товаров: 27