Запчасти John Deere 92ELC 172 - Main Hydraulic Pump 2160 Vehicle Hydraulics

Схема запчастей John Deere 92ELC - 172 - Main Hydraulic Pump 2160 Vehicle Hydraulics
FIT
1:1
100%

Артикул

Название

Примечание

Количество

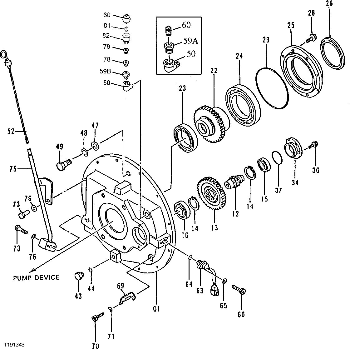
1

0001627

Transmission Case

(SUB FOR AT201554)

1шт.

12

2036485

Splined Coupling

(SUB FOR AT201673)

1шт.

13

3066320

Gear

(SUB FOR AT201698)

1шт.

14

40M7047

Snap Ring

2шт.

15

4314081

Bearing

(SUB FOR AT201767)

1шт.

16

4160767

Ball Bearing

(SUB FOR AT202093)

1шт.

22

2037331

Gear

(SUB FOR AT201672)

1шт.

23

AT309590

Ball Bearing

(SUB FOR AT202077, 4023595)

1шт.

24

AT309592

Ball Bearing

(SUB FOR AT201713, 4160775)

1шт.

25

2034825

Hub

(SUB FOR AT201670)

1шт.

26

4310700

Seal

(SUB FOR AT201765)

1шт.

28

19M7550

Cap Screw

M10 X 35

8шт.

12M7066

Lock Washer

10 mm

8шт.

29

4153562

O-Ring

(SUB FOR AT201712)

1шт.

34

3067165

Hub

(SUB FOR AT201703)

1шт.

36

19M7163

Cap Screw

M8 X 25

5шт.

12M7056

Lock Washer

8 mm (SUB FOR 12M7065)

5шт.

37

TH105683

O-Ring

59.400 X 3.100 mm

1шт.

43

4074727

Drain Plug

(SUB FOR TH100027)

1шт.

44

R77401

O-Ring

19.800 X 2.400 mm

1шт.

47

N231749

Washer

20.620 X 38.100 X 6.350 mm

1шт.

48

12M7070

Lock Washer

20 mm

1шт.

49

19M8543

Cap Screw

M20 X 30

1шт.

50

94-0633

Elbow Fitting

(SUB FOR TH101968)

1шт.

52

4335289

Level Gauge

(SUB FOR AT201804)

1шт.

59A

J728684

Reducer

(SUB FOR TH101811)

1шт.

59B

4358114

Reducer

(SUB FOR AT170657 ) (SUB FOR AT174463)

1шт.

60

4511984

Pipe Plug

(SUB FOR TH101812)

1шт.

63

4265372

Sensor

(SUB FOR AT154297)(ENGINE SPEED)

1шт.

64

4306888

O-Ring

18.771 X 1.778 mm (SUB FOR AT154310)

1шт.

65

24M7054

Washer

6.400 X 12 X 1.600 mm

1шт.

66

19M8553

Screw

M6 X 16

1шт.

69

4336874

Bracket

(SUB FOR AT202391)

1шт.

70

0209423

Bolt

(SUB FOR TH100738)

1шт.

71

12M7133

Lock Washer

6 mm (SUB FOR 12M7129)

1шт.

73

19M7935

Cap Screw

M10 X 55

2шт.

75

8058572

Oil Tube

(SUB FOR AT201908)

1шт.

76

12M7066

Lock Washer

10 mm

2шт.

78

94-1602

Pipe Bushing

(SUB FOR TH102085)

1шт.

Pipe Bushing

(SUB AT174463)( TH1020 85 NO LONGER REQUIRED)

1шт.

79

94-1601

Pipe Bushing

(SUB FOR TH103472)

1шт.

Pipe Bushing

(SUB AT174463)( TH1034 72 NO LONGER REQUIRED)

1шт.

80

Breather

(FURNISH 4298488 AND 808 7727) (SUB FOR AT204078)

1шт.

81

4298488

Breather

1шт.

82

8087727

Line

(SUB FOR 8089970)

1шт.

Выбрано товаров: 45