Запчасти John Deere 92ELC 177 - PILOT PIPINGS 2160 Vehicle Hydraulics

Схема запчастей John Deere 92ELC - 177 - PILOT PIPINGS 2160 Vehicle Hydraulics
FIT
1:1
100%

Артикул

Название

Примечание

Количество

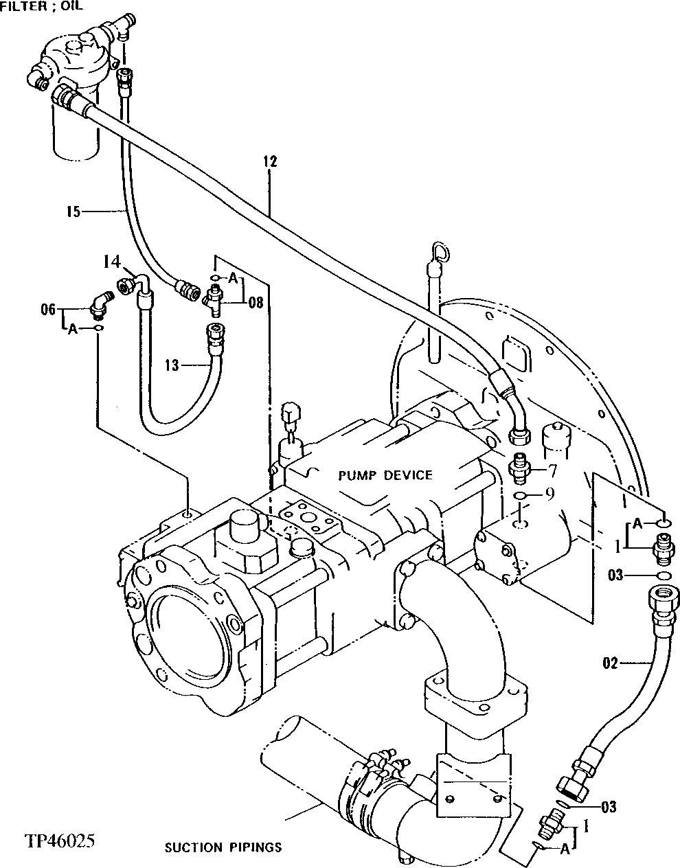
1

A853166

Adapter Fitting

(SUB FOR AT107392 OR 4189619)

2шт.

1A

AT318035

O-Ring

(SUB FOR 4506424, TH100055)

1шт.

2

AT168736

Hydraulic Hose

1шт.

3

T77858

O-Ring

2шт.

6

4154670

Elbow Fitting

(SUB FOR TH100951)

1шт.

6A

M800650

Packing

1шт.

7

X8-10F5OX

Adapter Fitting

(SUB FOR TH110204 OR TH1 01006, ALONG WITH U46489)

1шт.

8

4203171

Tee Fitting

(SUB FOR TH110578)

1шт.

8A

M800650

Packing

1шт.

9

4506418

O-Ring

(SUB FOR U46489)

1шт.

12

AT202206

Hydraulic Hose

1шт.

13

AT48428

Hydraulic Hose

1шт.

14

AE24616

Elbow Fitting

1шт.

15

4343795

Hydraulic Hose

(SUB FOR AT202352)

1шт.

Выбрано товаров: 14