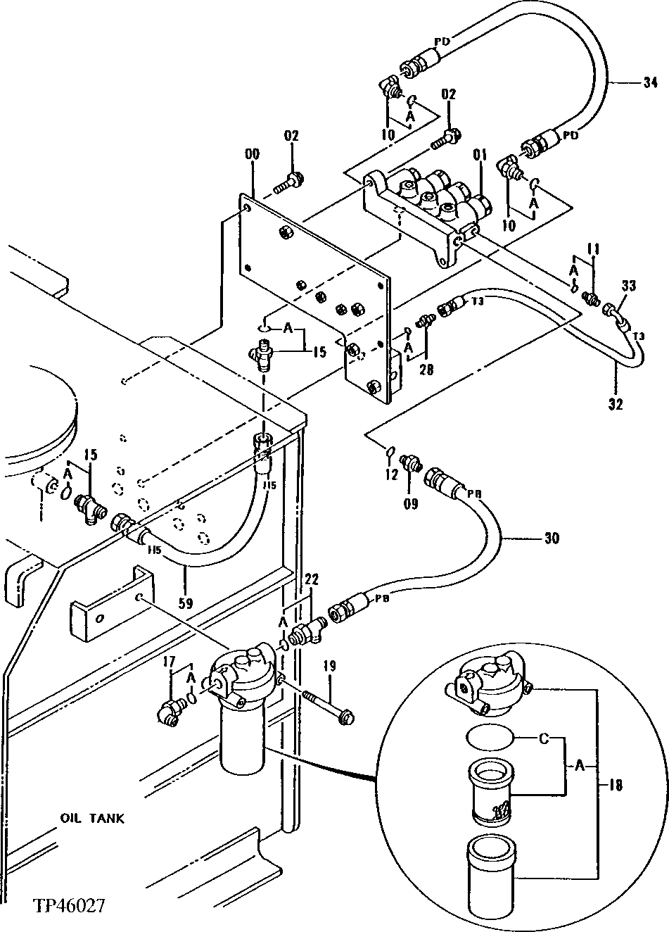
Запчасти John Deere 92ELC 178 - PILOT PIPINGS 2160 Vehicle Hydraulics

Схема запчастей John Deere 92ELC - 178 - PILOT PIPINGS 2160 Vehicle Hydraulics
FIT
1:1
100%

Артикул

Название

Примечание

Количество

0

8055498

Bracket

(SUB FOR AT201894)

1шт.

1

4307603

Solenoid Valve

(SUB FOR AT201758)

1шт.

2

19M7662

Cap Screw

6шт.

12M7066

Lock Washer

6шт.

9

X8-10F5OX

Adapter Fitting

(SUB FOR TH110204 OR OR TH 101006, ALONG WITH U46489)

1шт.

10

4154672

Elbow Fitting

(SUB FOR TH101008)

2шт.

10A

4506418

O-Ring

(SUB FOR U46489)

1шт.

11

4200465

Adapter Fitting

(SUB FOR TH108328)

1шт.

11A

M800650

Packing

1шт.

12

4506418

O-Ring

(SUB FOR U46489)

1шт.

15

4303003

Tee Fitting

(SUB FOR AT202321)

2шт.

15A

4506418

O-Ring

(SUB FOR U46489)

1шт.

17

4154672

Elbow Fitting

(SUB FOR TH101008)

1шт.

17A

4506418

O-Ring

(SUB FOR U46489)

1шт.

18

4631976

Oil Filter

(SUB FOR TH108402, 4191300)

1шт.

18A

AT186554

Filter Element

(SUB FOR AT147821)

1шт.

18C

AT264334

O-Ring

(SUB FOR TH100101)

1шт.

19

19M8093

Cap Screw

2шт.

12M7066

Lock Washer

2шт.

22

4270679

Tee Fitting

(SUB FOR AT202306)

1шт.

22A

4506418

O-Ring

(SUB FOR U46489)

1шт.

28

4200465

Adapter Fitting

(SUB FOR TH108328)

1шт.

28A

M800650

Packing

1шт.

30

4389009

Hydraulic Hose

( 4344492 NO LONGER AVAI LABLE) (SUB FOR AT204917)

1шт.

32

AE42718

Hydraulic Hose

(SUB FOR AT48428, AT127656 OR AT177137 IN THIS APPLICATION, ALONG WITH AH89069)

1шт.

33

AH89069

Elbow Fitting

(SUB FOR AE24616, THIS APPLI CATION ) (ALSO ORDER AE42718)

1шт.

34

AA56904

Hydraulic Hose

(SUB FOR AN280330)

1шт.

59

AT49783

Hydraulic Hose

(SUB FOR AA31577, THIS APPLICATION)

1шт.

Выбрано товаров: 28