Запчасти John Deere 92ELC 203 - Flow Control Valve 2160 Vehicle Hydraulics

Схема запчастей John Deere 92ELC - 203 - Flow Control Valve 2160 Vehicle Hydraulics
FIT
1:1
100%

Артикул

Название

Примечание

Количество

0

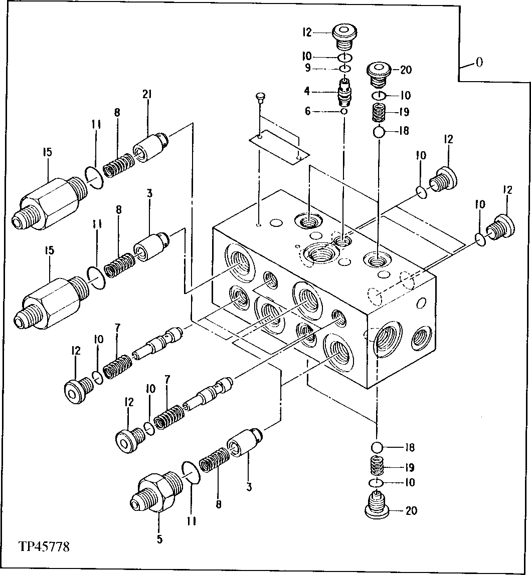
4335650

Hyd Actuated Control Valve

(SUB FOR AT201805)

1шт.

3

0420901

Plunger

(SUB FOR AT201596)

3шт.

4

0408302

Guide

(SUB FOR AT153887)

1шт.

5

0408303

Threaded Nipple

(SUB FOR AT153888)

2шт.

6

0408304

Ball

(SUB FOR AT153889)

1шт.

7

0408305

Spring

(SUB FOR AT153890)

4шт.

8

0408306

Spring

(SUB FOR AT153891)

4шт.

9

4050481

O-Ring

3.800 X 1.900 mm (SUB FOR TH100786)

1шт.

10

4506408

O-Ring

7.800 X 1.900 mm (SUB FOR TH101490)

13шт.

11

CH11570

O-Ring

4шт.

12

0215220

Fitting Plug

(SUB FOR TH101485)

9шт.

15

0408307

Threaded Nipple

(SUB FOR AT153892)

2шт.

18

0369812

Ball

(SUB FOR AT153839)

4шт.

19

0323807

Spring

(SUB FOR AT133692)

4шт.

20

0323806

Pipe Plug

(SUB FOR AT133691)

4шт.

21

0420903

Plunger

(SUB FOR AT201598)

1шт.

Выбрано товаров: 16