Запчасти John Deere 92ELC 210 - Heavy Duty Bucket (Also Order Bucket Tooth Assemblies) 3302 BUCKETS, TEETH, SHANKS AND SIDECUTTERS

Схема запчастей John Deere 92ELC - 210 - Heavy Duty Bucket (Also Order Bucket Tooth Assemblies) 3302 BUCKETS, TEETH, SHANKS AND SIDECUTTERS
FIT
1:1
100%

Артикул

Название

Примечание

Количество

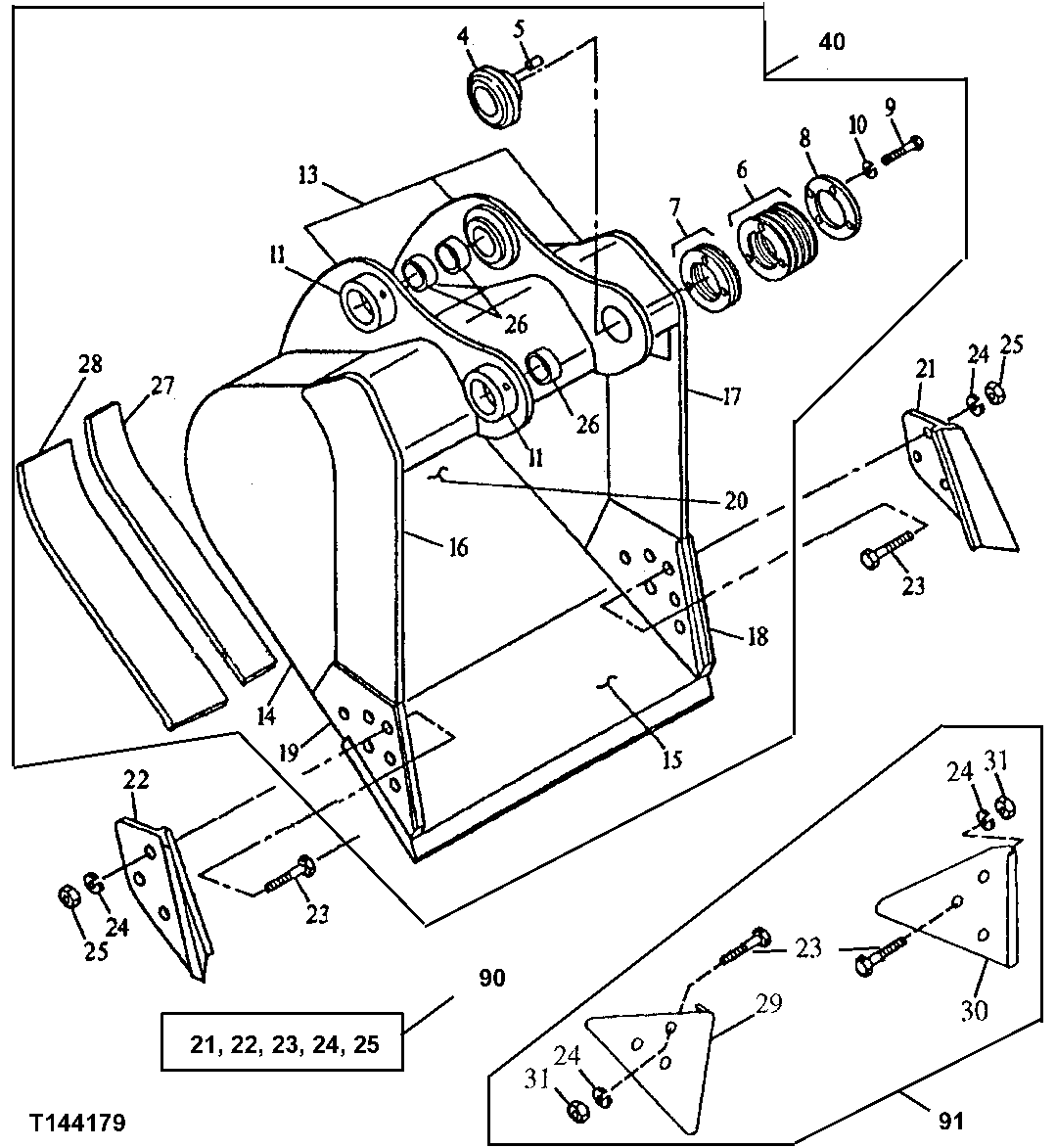
4

3038818

Boss

(SUB FOR AT131625)

1шт.

5

4179110

Pin

(SUB FOR TH103520)

2шт.

6

AT131816

Washer

(1 MM)

7шт.

7

4207194

Shim

(SUB FOR AT131815)(.5 MM)

2шт.

8

AT131814

Plate

1шт.

9

19H2706

Cap Screw

5/8" X 2"

4шт.

10

12H294

Lock Washer

5/8"

4шт.

11

AT128461

Bushing

2шт.

13

C606320

Pivot

(F) (BUCKET EAR BLANK ASSEMBLY)

1шт.

14

304578

Plate

(F) (RIGHT AND LEFT SIDE)

2шт.

15

AT131097

Dura-Max Cutting Edge

(CUT TO LENGTH)

1шт.

16

301025

Vertical Cutter

(F) (UPPER RIGHT SIDE CUTTER)

1шт.

17

301026

Vertical Cutter

(F) (UPPER LEFT SIDE CUTTER)

1шт.

18

304577

Vertical Cutter

(F) (LEFT SIDE CUTTER INSERT)

1шт.

19

304576

Vertical Cutter

(F) (RIGHT SIDE CUTTER INSERT)

1шт.

20

600541

Moldboard

(F) (36 INCH)

1шт.

600542

Moldboard

(F) (42 INCH)

1шт.

600543

Moldboard

(F) (48 INCH)

1шт.

602705

Moldboard

(F) (54 INCH)

1шт.

602706

Moldboard

(F) (60 INCH)

1шт.

602707

Moldboard

(F) (72 INCH)

1шт.

21

Cutting Edge

(SUB AT131085)

1шт.

22

Cutting Edge

(SUB AT131085)

1шт.

23

09H1771

Bolt

7/8" X 3" (K2)

6шт.

24

12H245

Lock Washer

7/8" (K2)

6шт.

25

14H1077

Nut

7/8"

6шт.

26

4205109

Bushing

(SUB FOR AT131768)

3шт.

27

301024

Bar

(F) (INNER WEAR)

2шт.

28

304579

Bar

(F) (OUTER WEAR)

2шт.

29

Shroud

(K2) (WEAR SHROUD)

1шт.

30

Shroud

(K2) (WEAR SHROUD)

1шт.

31

14H1044

Nut

7/8" (K2)

6шт.

40

Excavator Bucket

( AT163675 NLA) (WHOLEGOODS) (36 INCH - 1.56 CUBIC YARD) (REQUIRES 4 TEETH)

1шт.

Excavator Bucket

( AT163678 NLA) (SUB AT332738 (WHOLEGOODS) (42 INCH - 1.85 CUBIC YARD) (REQUIRES 5 TEETH) )

1шт.

Excavator Bucket

( AT163681 NLA) (SUB AT332739 (WHOLEGOODS) (48 INCH - 2.15 CUBIC YARD) (REQUIRES 6 TEETH) )

1шт.

Excavator Bucket

( AT163682 NLA) (SUB AT332740 (WHOLEGOODS) (54 INCH - 2.45 CUBIC YARD) (REQUIRES 6 TEETH) )

1шт.

Excavator Bucket

( AT163683 NLA) (SUB AT332741 (WHOLEGOO DS) (60 INCH - 2.74 CUBIC YARD) (REQUIRE S 7 TEETH) (DO NOT USE WITH 16' 1" ARM))

1шт.

Excavator Bucket

( AT163684 NLA) (SUB AT332742 (WHOLEGOODS) (66 INCH - 3.01 CUBIC YARD) (REQUIRES 7 TEETH) )

1шт.

Excavator Bucket

( AT163686 NLA) (SUB AT332743 (WHOLEGOODS) (72 INCH - 3.29 CUBIC YARD) (REQUIRES 8 TEETH) )

1шт.

90

End Bit

(SIDE CUTTER KIT) INCLUDES A LL (K) PARTS ( AT131085 NLA)

1шт.

91

Kit

(EDGE PROTECTOR KIT) INCLUDES ALL (K2) PARTS ( AT167876 NLA)

1шт.

Выбрано товаров: 41