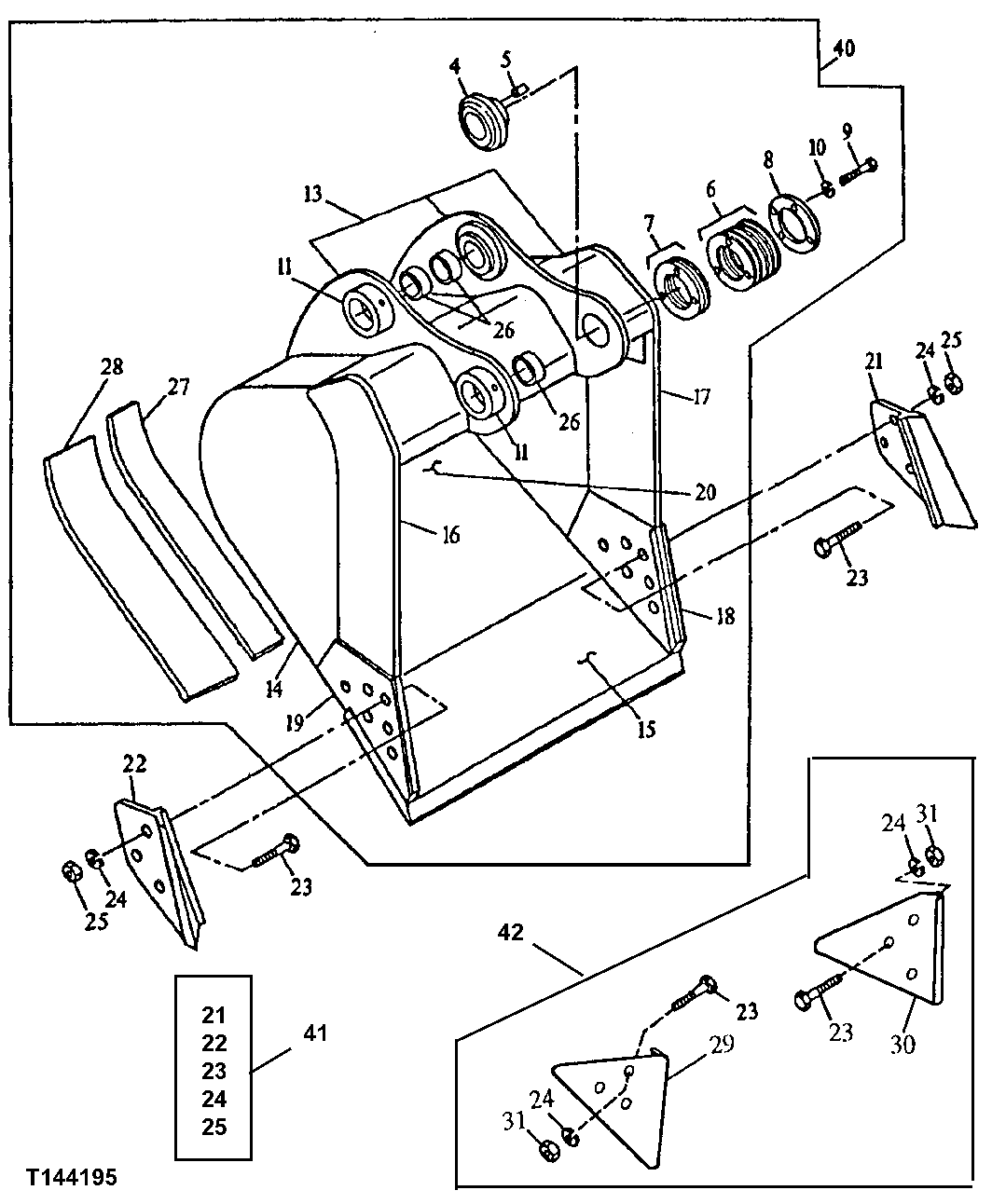
Запчасти John Deere 92ELC 216 - Truck Loading Bucket (Also Order Bucket Tooth Assemblies) 3302 BUCKETS, TEETH, SHANKS AND SIDECUTTERS

Схема запчастей John Deere 92ELC - 216 - Truck Loading Bucket (Also Order Bucket Tooth Assemblies) 3302 BUCKETS, TEETH, SHANKS AND SIDECUTTERS
FIT
1:1
100%

Артикул

Название

Примечание

Количество

4

3038818

Boss

(SUB FOR AT131625)

1шт.

5

4179110

Pin

(SUB FOR TH103520)

2шт.

6

AT131816

Washer

(1 MM)

7шт.

7

4207194

Shim

(SUB FOR AT131815)(.5 MM)

2шт.

8

AT131814

Plate

1шт.

9

19H2706

Cap Screw

5/8" X 2"

4шт.

10

12H294

Lock Washer

5/8"

4шт.

11

AT128461

Bushing

2шт.

13

C609726

Pivot

(F) (BUCKET EAR BLANK ASSEMBLY)

1шт.

14

304171

Plate

(F) (RIGHT AND LEFT SIDE)

2шт.

15

AT131097

Dura-Max Cutting Edge

(CUT TO LENGTH)

1шт.

16

300327

Vertical Cutter

(F) (UPPER RIGHT SIDE CUTTER)

1шт.

17

300328

Vertical Cutter

(F) (UPPER LEFT SIDE CUTTER)

1шт.

18

309971

Vertical Cutter

(F) (LEFT SIDE CUTTER INSERT)

1шт.

19

309970

Vertical Cutter

(F) (RIGHT SIDE CUTTER INSERT)

1шт.

20

608619

Moldboard

(F) (UPPER)

1шт.

21

Cutting Edge

(SUB AT131086)

1шт.

22

Cutting Edge

(SUB AT131086)

1шт.

23

09H1772

Bolt

7/8" X 3-1/2"

6шт.

24

12H245

Lock Washer

7/8"

6шт.

25

14H1077

Nut

7/8"

6шт.

26

4205109

Bushing

(SUB FOR AT131768)

3шт.

27

309972

Bar

(F) (INNER WEAR)

2шт.

28

309972

Bar

(F) (OUTER WEAR)

2шт.

29

Shroud

(WEAR SHROUD) (SUB AT167878)

1шт.

30

Shroud

(WEAR SHROUD) (SUB AT167878)

1шт.

31

14H1044

Nut

7/8"

6шт.

38

610934

Moldboard

(F) (LOWER)

1шт.

39

T145372

Label

(NOT ILLUSTRATED)

1шт.

40

Excavator Bucket

(SUB AT332744)( AT163687 NLA) (INCLU DES T145372 LABEL) (72 INCH - 4.18 CU BIC YARD) (AVAILABLE TOOTH ASSEMBLIES ON SEPARATE PAGE) (REQUIRES 6 TEETH)

1шт.

41

Kit

(CUTTING EDGE) ( AT131086 NLA)

1шт.

42

Kit

(WEAR) ( AT167878 NLA)

1шт.

Выбрано товаров: 32