Запчасти John Deere 92ELC 278 - COUNTERWEIGHT REMOVAL CYLINDER 3360 HYDRAULIC SYSTEM

Схема запчастей John Deere 92ELC - 278 - COUNTERWEIGHT REMOVAL CYLINDER 3360 HYDRAULIC SYSTEM
FIT
1:1
100%

Артикул

Название

Примечание

Количество

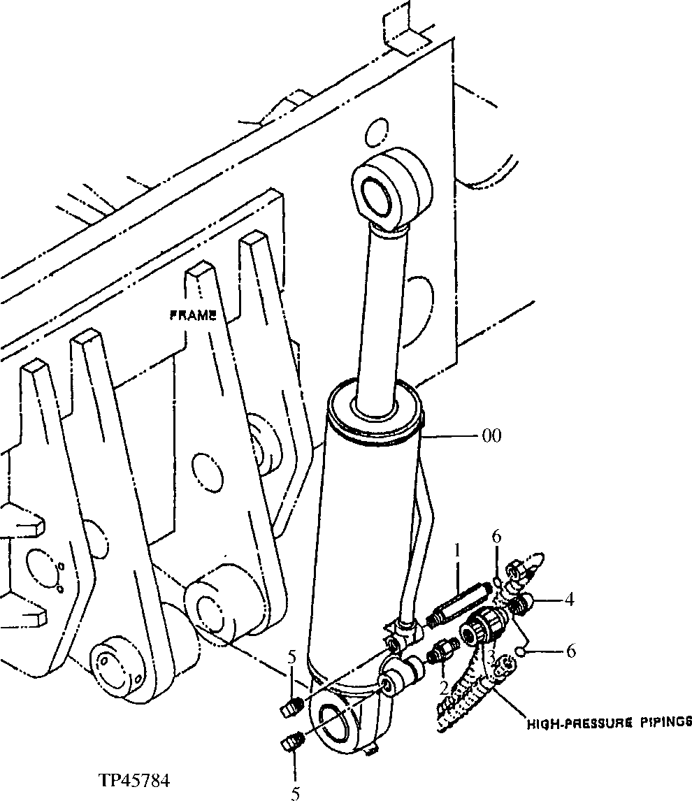
0

4344048

Cylinder

(SUB FOR AT170141)(SEE S EPARATE PAGE FOR DETAIL)

1шт.

1

3071216

Adapter Fitting

(SUB FOR AT170143)

1шт.

2

4339469

Adapter Fitting

(SUB FOR AT170144)

1шт.

3

4221984

Valve

(SUB FOR AT132492)

1шт.

4

4274178

Elbow Fitting

(SUB FOR AT170146)

1шт.

5

94-2024

Fitting Plug

(SUB FOR TH101292)

2шт.

6

T77857

O-Ring

12.421 X 1.778 mm

2шт.

10

Counterweight

( AT169021 NO LONGER AVAILABLE, SUB AT1964 81) WHOLEGOODS (REMOVAL SYSTEM) (NOT ILLUS TRATED) (CONTAINS ALL ITEMS ON THIS PAGE - ADDITIONAL COMPONENTS LISTED ON OTHER PAGES )

1шт.

Выбрано товаров: 8