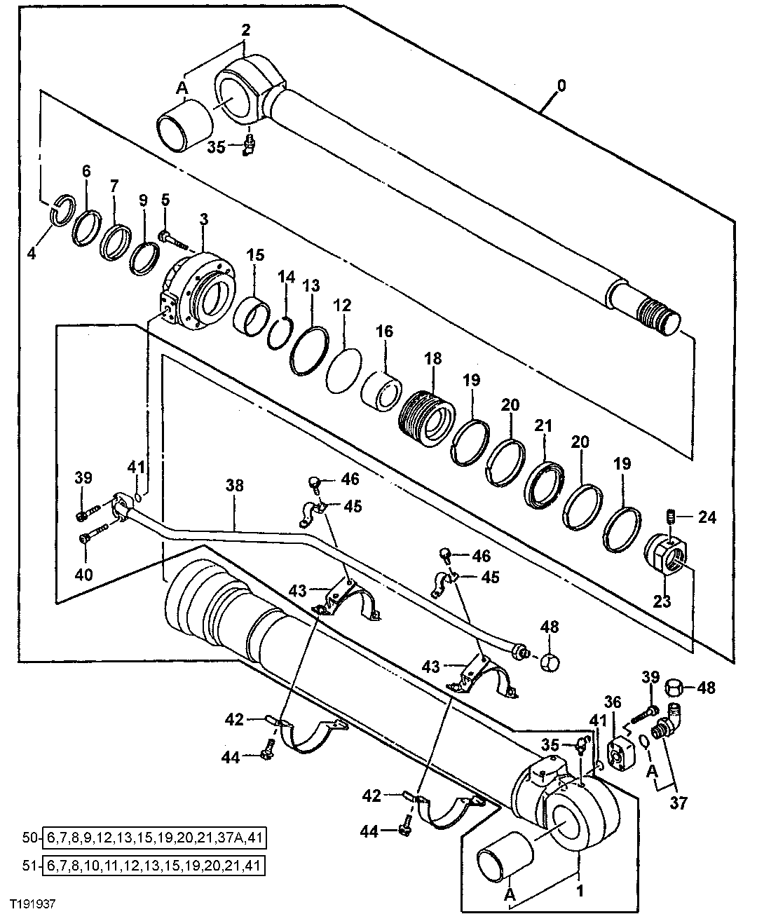
Запчасти John Deere 92ELC 290 - Bucket Cylinder 3360 HYDRAULIC SYSTEM

Схема запчастей John Deere 92ELC - 290 - Bucket Cylinder 3360 HYDRAULIC SYSTEM
FIT
1:1
100%

Артикул

Название

Примечание

Количество

0

9264721JEX

Hydraulic Cylinder Reman

(REMAN) (SUB FOR AT20118 2, AT171896 AND AT182461)

1шт.

1

4646017J

Hydraulic Cylinder Barrel

(SUB FOR TH111599 OR 9121231)

1шт.

1A

3031789

Bushing

(SUB FOR TH110072)

1шт.

2

4645920J

Hydraulic Cylinder Rod

(SUB FOR AT201123 OR 7027219)

1шт.

2A

3036659

Bushing

(SUB FOR TH111167)

1шт.

3

1022645

Hydraulic Cylinder Cap

(SUB FOR AT131253 ) (SUB AT26 4274 AND AT264294 AND 4369508)

1шт.

4

4369508

Ring

RETAINING, (SUB FOR AT21798 3 (CYLINDER SERIAL NUMBER))

1шт.

5

19M8630

Screw

M24 X 80

8шт.

6

AT264407

Seal

(A) (B) (SUB FOR TH11121 5)(CYLINDER SERIAL NUMBER)

1шт.

AT264294

Seal

(SUB FOR AT217969, 434820 1)(CYLINDER SERIAL NUMBER)

1шт.

7

AT264408

Seal

(A) (B) (SUB FOR TH111216)

1шт.

8

4389326

Ring

(A) (B) (SUB FOR TH111217 ) (SUB FOR AT201003 AND AT264409)(NOT ILLUSTRATED)

1шт.

9

Seal

1шт.

10

AT280433

Back-Up Ring

(A)

1шт.

11

AT264406

O-Ring

(A)

1шт.

12

TH110052

O-Ring

(A) 134.600 X 5.700 mm (CYLINDER SERIAL NUMBER)

1шт.

AT264274

O-Ring

(B) (SUB FOR AT159582, 4267 138)(CYLINDER SERIAL NUMBER)

1шт.

13

AT264399

Back-Up Ring

(A) (B) (SUB FOR TH11005 5)(CYLINDER SERIAL NUMBER)

1шт.

14

4264982

Snap Ring

(SUB FOR AT131254)

1шт.

15

AT264239

Bushing

(A) (B) (SUB FOR AT131420)

1шт.

16

4194625

Ring

(SUB FOR TH111275)

1шт.

18

3080835

Piston

(SUB FOR TH111164 AND 3036603)

1шт.

19

AT264400

Ring

(A) (B) (SUB FOR TH110062, 4185247)

2шт.

20

AT264401

Wear Ring

(A) (B) (SUB FOR TH110063)

2шт.

21

AT264402

Ring

(A) (B) (SUB FOR TH110065)

1шт.

23

3039348

Nut

(SUB FOR TH111191)

1шт.

24

4201806

Set Screw

M12 X 20 (SUB FOR TH110066)

1шт.

35

T116334

Lubrication Fitting

2шт.

36

3046126

Flange

(SUB FOR AT128499)

1шт.

37

A853388

Elbow Fitting

(SUB FOR TH108325 OR 4198799)

1шт.

37A

TH101926

O-Ring

(A) 28.700 X 3.500 mm

1шт.

38

8044732

Tube

(SUB FOR AT128498)

1шт.

39

19M8341

Screw

M12 X 45

6шт.

40

19M8444

Screw

M12 X 60

2шт.

41

AT264324

O-Ring

(A) (B) (SUB FOR TH100044)

2шт.

42

3043349

Clamp

(SUB FOR TH111883)

2шт.

43

8074320

Clamp

(SUB FOR TH111988)

2шт.

44

19M7550

Cap Screw

M10 X 35

4шт.

12M7066

Lock Washer

10 mm

4шт.

45

4174241

Clamp

(SUB FOR TH110059)

2шт.

46

19M7402

Cap Screw

M10 X 25

4шт.

48

Cap

(NOT AVAILABLE FOR SERVICE)

2шт.

50

AT196473

Seal Kit

(CYLINDER SERIAL NUMBER) (INCLUDES ALL (A) PARTS)

1шт.

51

AT264430

Seal Kit

(CYLINDER SERIAL NUMBER) (INCLUDES ALL (B) PARTS)

1шт.

Выбрано товаров: 44