Запчасти Komatsu D135A-2 ОБОГРЕВАТЕЛЬ. (/) ЧАСТИ КОРПУСА

Схема запчастей Komatsu D135A-2 - ОБОГРЕВАТЕЛЬ. (/) ЧАСТИ КОРПУСА
FIT
1:1
100%

Артикул

Название

Примечание

Количество

G-1

0

HEATER GROUP

SN: 10301-UP

1шт.

|$$2

====================

-1шт.

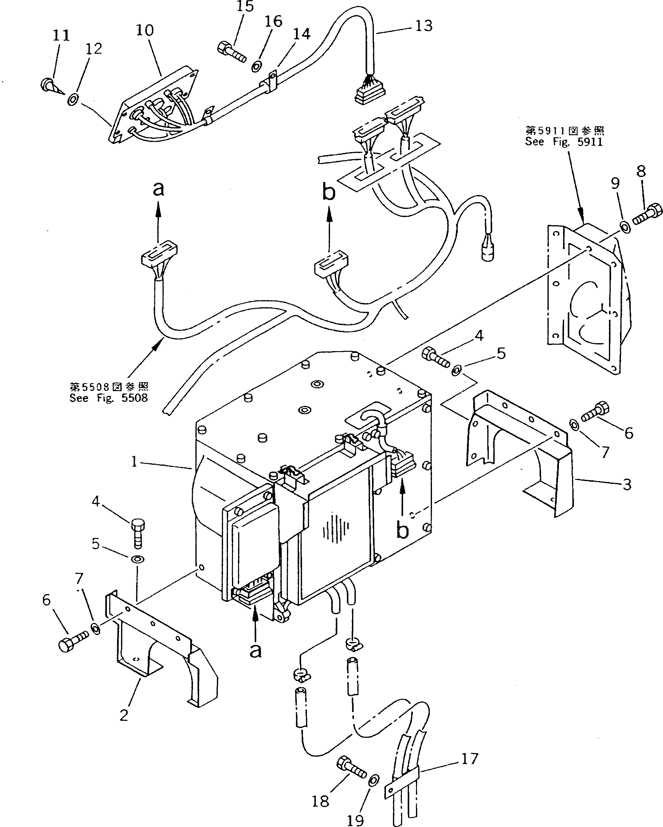
1

195-Z11-7402

HEATER ASS'Y

SN: 10369-UP

1шт.

|1

0

HEATER ASS'Y

SN: 10301-10368

1шт.

2

154-Z11-5250

BRACKET

SN: 10301-UP

1шт.

3

15A-Z11-1190

BRACKET

SN: 10301-UP

1шт.

4

01010-51225

BOLT

SN: 10301-UP

6шт.

5

01643-31232

WASHER

SN: 10301-UP

6шт.

6

01010-51225

BOLT

SN: 10301-UP

6шт.

7

01643-31232

WASHER

SN: 10301-UP

6шт.

8

01010-50816

BOLT

SN: 10301-UP

7шт.

9

01643-30823

WASHER

SN: 10301-UP

7шт.

10

195-Z11-7310

CONTROL PANEL ASS'Y

SN: 10301-UP

1шт.

11

01370-00616

SCREW

SN: 10301-UP

4шт.

12

01642-20608

WASHER

SN: 10301-UP

4шт.

13

195-Z11-5350

WIRE ASS'Y

SN: 10301-UP

1шт.

14

08035-02508

CLIP

SN: 10301-UP

1шт.

15

01010-51220

BOLT

SN: 10301-UP

1шт.

16

01643-31232

WASHER

SN: 10301-UP

1шт.

17

195-979-1550

CLAMP

SN: 10301-UP

1шт.

18

01010-51020

BOLT

SN: 10301-UP

1шт.

19

01643-31032

WASHER

SN: 10301-UP

1шт.

|$$23

====================

-1шт.

Выбрано товаров: 23