Запчасти Komatsu D135A-2 ЗАДН. КРЫШКА ЧАСТИ КОРПУСА

Схема запчастей Komatsu D135A-2 - ЗАДН. КРЫШКА ЧАСТИ КОРПУСА
FIT
1:1
100%

Артикул

Название

Примечание

Количество

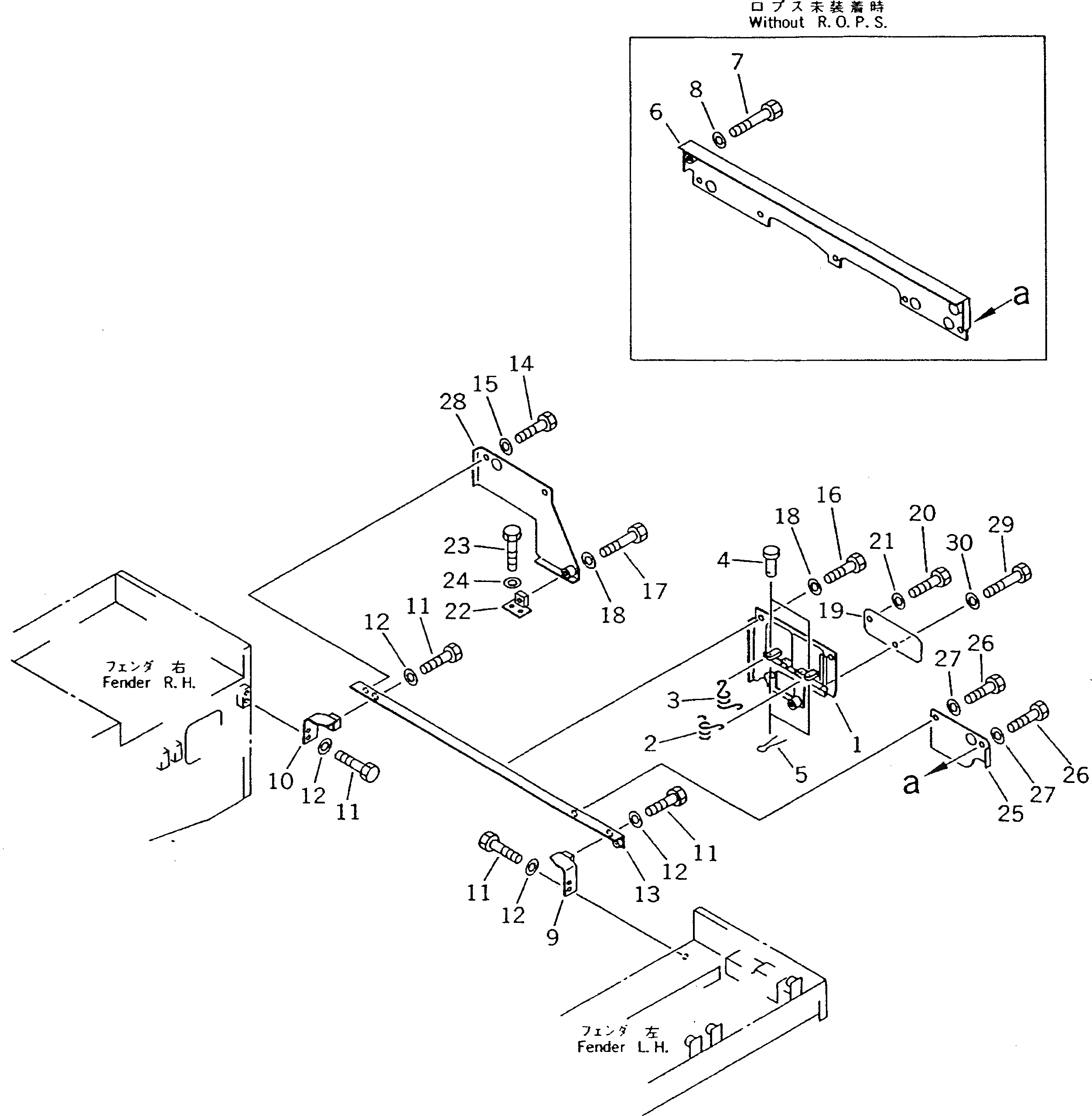
1

15A-54-21230

COVER

SN: 10301-UP

1шт.

2

09463-00006

SPRING

SN: 10301-UP

1шт.

3

09463-00002

SPRING

SN: 10301-UP

1шт.

4

04205-10618

PIN

SN: 10301-UP

4шт.

5

04050-11610

PIN,COTTER

SN: 10301-UP

4шт.

6

15A-54-21310

COVER

SN: 10301-UP

1шт.

7

01010-51255

BOLT

SN: 10301-UP

2шт.

8

01643-31232

WASHER

SN: 10301-UP

2шт.

9

15A-54-21270

BRACKET,L.H.

SN: 10301-UP

1шт.

10

15A-54-21280

BRACKET,R.H.

SN: 10301-UP

1шт.

11

01010-51230

BOLT

SN: 10301-UP

4шт.

12

01643-31232

WASHER

SN: 10301-UP

4шт.

13

15A-54-21260

ANGLE

SN: 10301-UP

1шт.

14

01010-51225

BOLT

SN: 10301-UP

2шт.

15

01643-31232

WASHER

SN: 10301-UP

2шт.

16

01010-51225

BOLT

SN: 10301-UP

2шт.

17

01010-51250

BOLT

SN: 10301-UP

1шт.

18

01643-31232

WASHER

SN: 10301-UP

3шт.

19

15A-54-21320

COVER

SN: 10301-UP

1шт.

20

01010-51220

BOLT

SN: 10301-UP

1шт.

21

01643-31232

WASHER

SN: 10301-UP

1шт.

22

154-54-12791

BRACKET

SN: 10301-UP

1шт.

23

01010-51225

BOLT

SN: 10301-UP

2шт.

24

01643-31232

WASHER

SN: 10301-UP

2шт.

25

15A-54-21250

COVER,L.H.

SN: 10301-UP

1шт.

26

01010-51225

BOLT

SN: 10301-UP

2шт.

27

01643-31232

WASHER

SN: 10301-UP

2шт.

28

15A-54-21240

COVER,R.H.

SN: 10301-UP

1шт.

29

01010-51250

BOLT

SN: 10301-UP

1шт.

30

01643-31232

WASHER

SN: 10301-UP

1шт.

Выбрано товаров: 0