Запчасти Komatsu D135A-2 ЗАЩИТА ОПОРНЫХ КАТКОВ ГУСЕНИЦЫ

Схема запчастей Komatsu D135A-2 - ЗАЩИТА ОПОРНЫХ КАТКОВ ГУСЕНИЦЫ
FIT
1:1
100%

Артикул

Название

Примечание

Количество

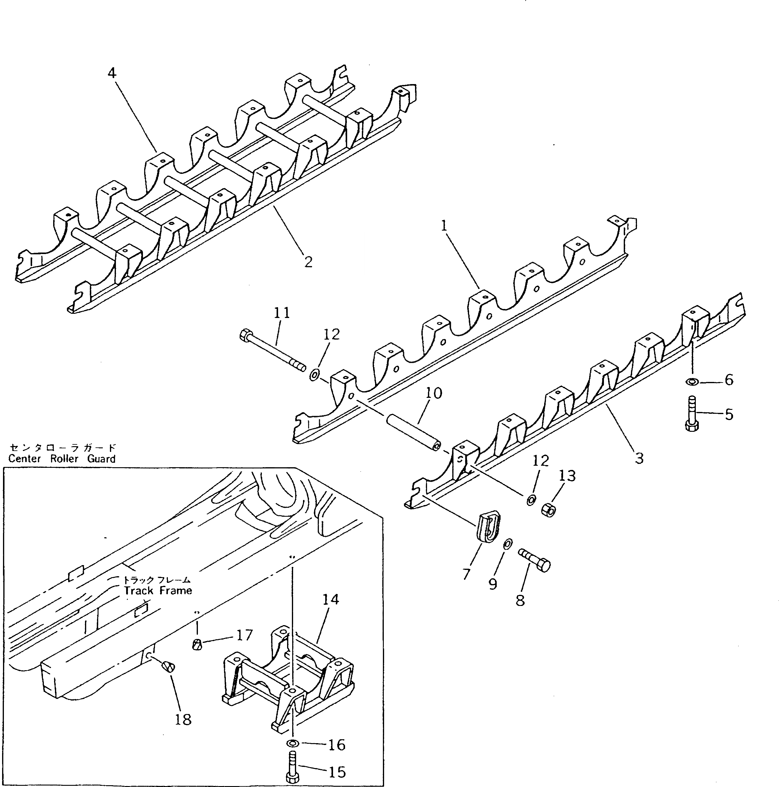
1

15A-30-12220

GUARD,INNER, L.H.

SN: 10301-UP

1шт.

2

15A-30-12230

GUARD,INNER, R.H.

SN: 10301-UP

1шт.

3

15A-30-12210

GUARD,OUTER, L.H.

SN: 10301-UP

1шт.

4

15A-30-12210

GUARD,OUTER, R.H.

SN: 10301-UP

1шт.

5

01010-52490

BOLT

SN: 10301-UP

26шт.

6

01643-32460

WASHER

SN: 10301-UP

26шт.

7

170-30-12162

RETAINER

SN: 10301-UP

6шт.

8

01010-52050

BOLT

SN: 10301-UP

12шт.

9

01643-32060

WASHER

SN: 10301-UP

12шт.

10

175-30-32151

SPACER

SN: 10301-UP

12шт.

11

175-30-32162

BOLT

SN: 10301-UP

12шт.

12

01643-32460

WASHER

SN: 10301-UP

24шт.

13

01580-12419

NUT

SN: 10301-UP

12шт.

G-1

0

ROLLER GUARD GROUP,CENTER

SN: 10301-UP

1шт.

|$$15

====================

-1шт.

14

15A-30-12250

GUARD

SN: 10301-UP

2шт.

15

01010-52490

BOLT

SN: 10301-UP

8шт.

16

01643-32460

WASHER

SN: 10301-UP

8шт.

17

07049-02439

PLUG

SN: 10301-UP

18шт.

18

07049-02025

PLUG

SN: 10301-UP

12шт.

|$$21

====================

-1шт.

Выбрано товаров: 21