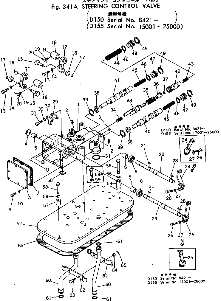
Запчасти Komatsu D150A-1 КЛАПАН УПРАВЛЕНИЯ ПОВОРОТОМ(№88-) СИСТЕМАУПРАВЛЕНИЯ ПОВОРОТОМ И КОНЕЧНАЯ ПЕРЕДАЧА

Схема запчастей Komatsu D150A-1 - КЛАПАН УПРАВЛЕНИЯ ПОВОРОТОМ(№88-) СИСТЕМАУПРАВЛЕНИЯ ПОВОРОТОМ И КОНЕЧНАЯ ПЕРЕДАЧА
FIT
1:1
100%

Артикул

Название

Примечание

Количество

|$0

175-40-00025

CONTROL VALVE ASS'Y

SN: 8454-UP

1шт.

|$1

0

CONTROL VALVE ASS'Y

SN: 8421-8453

1шт.

|$2

175-40-00023

CONTROL VALVE ASS'Y

SN: 8408-8420

1шт.

1

175-40-22110

HOUSING

SN: 8408-UP

1шт.

2

07042-10108

PLUG

SN: 5508-UP

2шт.

3

07043-50108

PLUG

SN: 8408-UP

1шт.

4

07046-13520

PLUG

SN: 8408-UP

2шт.

5

145-40-31250

BUSHING

SN: 8408-UP

4шт.

6

07012-00022

SEAL,OIL

SN: 8408-UP

2шт.

7

175-40-22370

GASKET

SN: 8408-UP

1шт.

8

175-40-22360

COVER

SN: 8408-UP

1шт.

9

01010-30820

BOLT

SN: 8408-UP

8шт.

10

01602-00825

WASHER,SPRING

SN: 8408-UP

8шт.

11

175-40-22310

LEVER

SN: 8408-UP

1шт.

12

175-40-22320

LEVER

SN: 8408-UP

1шт.

13

01010-30835

BOLT

SN: 8408-UP

2шт.

14

01602-00825

WASHER,SPRING

SN: 8408-UP

2шт.

15

175-40-22330

PIN

SN: 8408-UP

2шт.

16

175-40-22340

ROLLER

SN: 8408-UP

2шт.

17

04064-01210

RING,SNAP

SN: 8408-UP

2шт.

18

175-40-22350

SPACER

SN: 8408-UP

2шт.

19

01306-00616

SCREW

SN: 8408-UP

2шт.

20

04059-01012

WIRE

SN: 5508-UP

2шт.

21

04010-00516

KEY

SN: 8408-UP

2шт.

22

175-40-22280

SHAFT

SN: 8408-UP

1шт.

23

175-40-22290

SHAFT

SN: 8408-UP

1шт.

24

175-40-22392

LEVER

SN: 8421-UP

1шт.

24

175-40-22391

LEVER

SN: 8408-UP

1шт.

25

175-40-22392

LEVER

SN: 8421-UP

1шт.

25

175-40-22411

LEVER

SN: 8408-8420

1шт.

26

01010-30830

BOLT,SPRING

SN: 8408-UP

2шт.

27

01602-00825

WASHER

SN: 5508-UP

2шт.

28

04010-00516

KEY

SN: 8408-UP

2шт.

29

175-40-22220

SPACER

SN: 8408-UP

1шт.

30

175-40-22230

STOPPER

SN: 8408-UP

1шт.

31

01010-30830

BOLT

SN: 8408-UP

2шт.

32

01602-00825

WASHER,SPRING

SN: 8408-UP

2шт.

33

175-40-22151

SPOOL

SN: 8454-UP

1шт.

33

0

SPOOL

SN: 8408-8453

1шт.

34

175-40-22180

PISTON

SN: 8408-UP

1шт.

35

175-40-22160

SPRING

SN: 8408-UP

1шт.

36

175-40-22170

GUIDE

SN: 8408-UP

1шт.

37

04064-01410

RING,SNAP

SN: 8408-UP

1шт.

38

175-40-22210

PLATE

SN: 8408-UP

2шт.

39

04065-03515

RING,SNAP

SN: 8408-UP

2шт.

40

195-40-11511

SPOOL

SN: 8454-UP

1шт.

40

0

SPOOL

SN: 8408-8453

1шт.

41

195-40-11521

SPOOL

SN: 8454-UP

1шт.

41

0

SPOOL

SN: 8408-8453

1шт.

42

175-40-22191

VALVE

SN: 8454-UP

1шт.

42

175-40-22190

VALVE

SN: 8408-8453

1шт.

43

175-40-22180

PISTON

SN: 8408-UP

1шт.

44

175-40-22250

SPRING

SN: 8408-UP

1шт.

45

175-40-22240

SPRING

SN: 8408-UP

2шт.

46

07000-03025

O-RING

SN: 8408-UP

3шт.

47

175-40-22260

STOPPER

SN: 8408-UP

2шт.

48

175-40-22270

STOPPER

SN: 8408-UP

1шт.

49

04065-03515

RING,SNAP

SN: 5508-UP

3шт.

50

07000-03030

O-RING

SN: 8408-UP

7шт.

51

07000-03040

O-RING

SN: 5508-UP

2шт.

52

175-40-22121

SEAT

SN: 8408-UP

1шт.

53

175-40-22591

GASKET

SN: .-UP

1шт.

53

0

GASKET

SN: 8329-.

1шт.

54

175-40-22540

SPACER

SN: 8329-UP

1шт.

55

01010-31285

BOLT

SN: 8329-UP

1шт.

56

01602-01236

WASHER,SPRING

SN: 8329-UP

1шт.

57

195-33-11220

SPACER

SN: 5508-UP

12шт.

58

01010-31260

BOLT

SN: 5508-UP

12шт.

58

01010-31260

BOLT

SN: 8421-UP

11шт.

58A

01010-31265

BOLT

SN: 8421-UP

1шт.

59

01602-01236

WASHER,SPRING

SN: 5508-UP

12шт.

60

175-40-22420

TUBE

SN: 8408-UP

2шт.

61

07000-03022

O-RING

SN: 5508-UP

4шт.

62

175-40-22460

CLAMP

SN: 8329-UP

2шт.

63

01012-31025

BOLT

SN: 8329-UP

2шт.

64

01590-01012

NUT

SN: 8329-UP

2шт.

65

04050-02018

PIN,COTTER

SN: 8329-UP

2шт.

Выбрано товаров: 77